Curiosii for ever!: Car repair manuals for everyone.

Rear Glass Defogger Timer





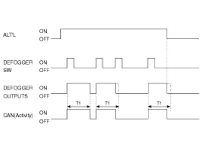
Inspection

1. Condition 1
(1) Alternator level high & defogger is OFF
(Defogger relay OFF and defogger activity OFF)
(2) Defogger is activated (defogger switch ON)
(3) Defogger outputs are turned ON
2. Condition 2
(1) Alternator level high & defogger is ON
(2) Defogger switch Input pushed again or T1 delay has elapsed since defogger has been turned ON
(3) Defogger outputs are turned OFF
3. Condition 3
If alternator input is changed to low, defogger outputs should be turned OFF immediately.
4. Outside mirror defogger of door module can be controlled by CAN communication at the same time.