Curiosii for ever!: Car repair manuals for everyone.

Keyless Entry: Description and Operation





Description

Burglar Alarm System
The burglar alarm system is armed automatically after the doors, hood, and trunk lid are closed and locked.

The system is set off when any of these things occur :
- A door is forced open.
- The trunk lid is opened without using the key.
- The hood is opened.

When the system is set off, the alarm sounds and the hazard lamp flash for about 30 seconds or until the system is disarmed by unlocking the transmitter.

For the system to arm, the ignition switch must be off and the key removed. Then, the body control module must receive signals that the doors, hood, and trunk lid are closed and locked. When everything is closed and locked, none of the control unit inputs are grounded.

The door switches, hood switch and trunk lid switch are all close and lock the doors with the remote transmitter and then the system arms immediately.

If anything is opened after the system is armed, the body control module gets a ground signal from that switch, and the system is set off.

If one of the switches is misadjusted or there is a short in the system, the system will not arm. As long as the body control module continues to get a ground signal, it thinks the vehicle is not closed and locked and will not arm.

Keyless Entry System
The burglar alarm system is integrated with the keyless entry system. The keyless entry system allows you to lock and unlock the vehicle with the remote transmitter. When you push the LOCK/UNLOCK button, all doors lock. When you push the LOCK/UNLOCK button again, all doors unlock.

The room lamp, if its switch is in the center position, will come on when you press the UNLOCK button. If you do not open a door, the light will go off in about 30 seconds, the doors will automatically relock, and the burglar alarm system will rearm. If you relock the doors with the remote transmitter within 30 seconds, the light will go off immediately.

You cannot lock or unlock the doors with the remote transmitter if the key is in the ignition switch.

The system will signal you when the doors lock and unlock by flashing the hazard lamp once when they lock, and twice when they unlock.

Functions

Anti-theft Function
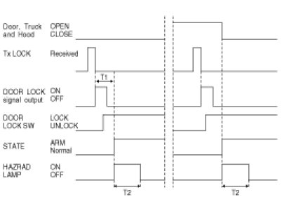
1. ARM Function
(1) When using LOCK on the RKE (Remote Keyless Entry) the system enters the arm waiting mode(Buzzer sound once). If there is no change in the status of all entrances for 30 seconds, the doors will be locked. the hazard lamp will blink once within 1 second and the Anti-Theft System will ARM, if the following conditions have been met.
A. The ignition key is removed from the ignition switch.
B. All entry points are closed (doors, trunk, tail gate and hood)
(2) If either the door or trunk or hood is open when activating LOCK using the RKE, the doors will lock, however the hazard lamp will not flash and the Anti-Theft System will not arm.
(3) In Step 2) if the opened entry points are subsequently closed, the door will be locked, the hazard lamp will blink once and the Anti-Theft System will enters the arm waiting mode(Buzzer sound once). If there is no change in the status of all entrances for 30 seconds, the doors will be locked.
(4) The ARM mode of the Anti-Theft System can only be set using the LOCK feature of the RKE & key.
(5) If LOCK is activated on the RKE while the Anti-Theft system is already in the ARM mode, the hazard lamp will blink once. (If, however, any of the vehicle entry points is unlocked, the Anti-Theft System will lock the door, the hazard lamp will blink once, and the system will re-ARM itself.
(6) Automatic lock WILL NOT function if an entry point is opened within 30 seconds of activating UNLOCK.
(7) Once the 30 seconds have passed, after the initial UNLOCK, the Anti-Theft System will lock the doors, blink the hazard lamps and then ARM.




T1 : 0.6 sec,
T2 : 1.0 ± 0.2 sec, output
2. DISARM Function
(1) When UNLOCK is pressed on the RKE (Remote Keyless Entry control) the ANTI-Theft System will DISARM, the hazard lamps blink 2 times and the doors unlock.
(Whether entry points are open or Closed is irrelevant)
(2) Once the ignition key is IN (inserted into the ignition switch) and the ignition is turned to the ON position the Anti-Theft system will immediately DISARM.
(3) If the UNLOCK signal is sent by the RKE, and either the ignition key is not inserted or entry (door, trunk, hood) to the vehicle is not made within 30 seconds, the LOCK mode will be automatically reset, the hazard lamps will blink, and the Anti-Theft System will rearm. (Key IN = Key Insertion)
(Provided that there is no automatic lock function at a period of 30 seconds, when the UNLOCK is done by the RKE with an entry being open).
(4) In steps 3), when UNLOCK is activated within the initial 30 seconds, another period of 30 seconds occurs.
(5) The DISARM mode of the Anti-Theft System can only be set using the UNLOCK feature of the RKE. The door key will not disarm the Anti-theft System.
(6) When repeating UNLOCK on the RKE, the hazard lamps blink 2 times and the doors unlock.
3. ALARM Function
(1) When a point of entry is opened while the Anti-Theft System is in the ARM mode, the horn rings 3 times with 27 seconds on 10 second off.
(2) Output intervals for the horn alarm and hazard lamps are identical.
(3) The alarm sequence, when activated will continue for the duration of the alarm period even when the entry point is closed. (The alarm will reactivate if entry port is reopened after the initial alarm sequence completes.)




T1 : 27 ± 2 sec, T2 : 10 ± 2 sec,
T3 : 0.4 - 0.5 sec output
4. ALARM CLEARANCE
(1) When choosing LOCK on the RKE (Remote Keyless Entry) either during or after alarm activation, the alarm is cleared.
(2) When choosing UNLOCKS on the RKE either during or after alarm activation, the alarm is cleared.
(3) When choosing TRUNK OPEN on the RKE either during or after alarm activation, the alarm is delayed.
(4) If the ignition key is turned to ON for 30 seconds either during or after alarm activation the alarm will be cleared and the start inhibitor reset.
(5) If during an alarm sequence the ignition key is turned ON and then OFF within 30 seconds, the alarm will continue.




5. Battery Separation
(1) Case detaching battery during alarm.
A. Start inhibit is ON and horn alarm output 3 times again after detaching battery regardless of hood switch and installing.( output hazard lamp, horn equally.) where, do not regard horn alarm regard horn alarm as continuous alarm.
(Alarm when re-installing after detaching battery for alarming)
(2) Case detaching battery at ARM condition.
A. Hold ARM condition when installing after detaching battery at ARM condition.