Curiosii for ever!
: Car repair manuals for everyone.
Home
>>
Hyundai
>>
2009
>>
Accent L4-1.6L
>>
Repair and Diagnosis
>>
Powertrain Management
>>
Emission Control Systems
>>
Evaporative Emissions System
>>
Diagrams
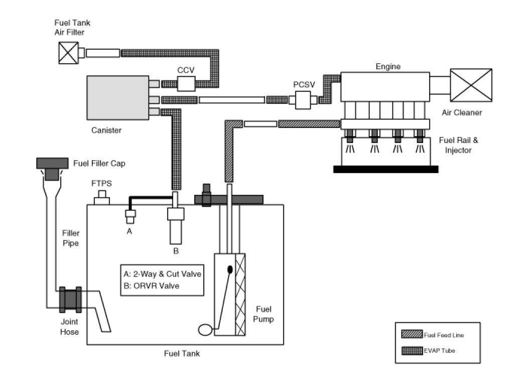
Evaporative Emissions System: Diagrams
Schematic Diagram
Schematic Diagram: