Curiosii for ever!
: Car repair manuals for everyone.
Home
>>
Hyundai
>>
2009
>>
Accent L4-1.6L
>>
Repair and Diagnosis
>>
Diagrams
>>
Exploded Views
>>
Housing Assembly HVAC
>>
Heater Unit
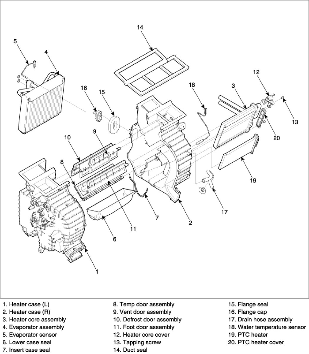
Heater Unit
Components