Curiosii for ever!: Car repair manuals for everyone.

System Diagram

Power Windows (1):




Power Windows (2):




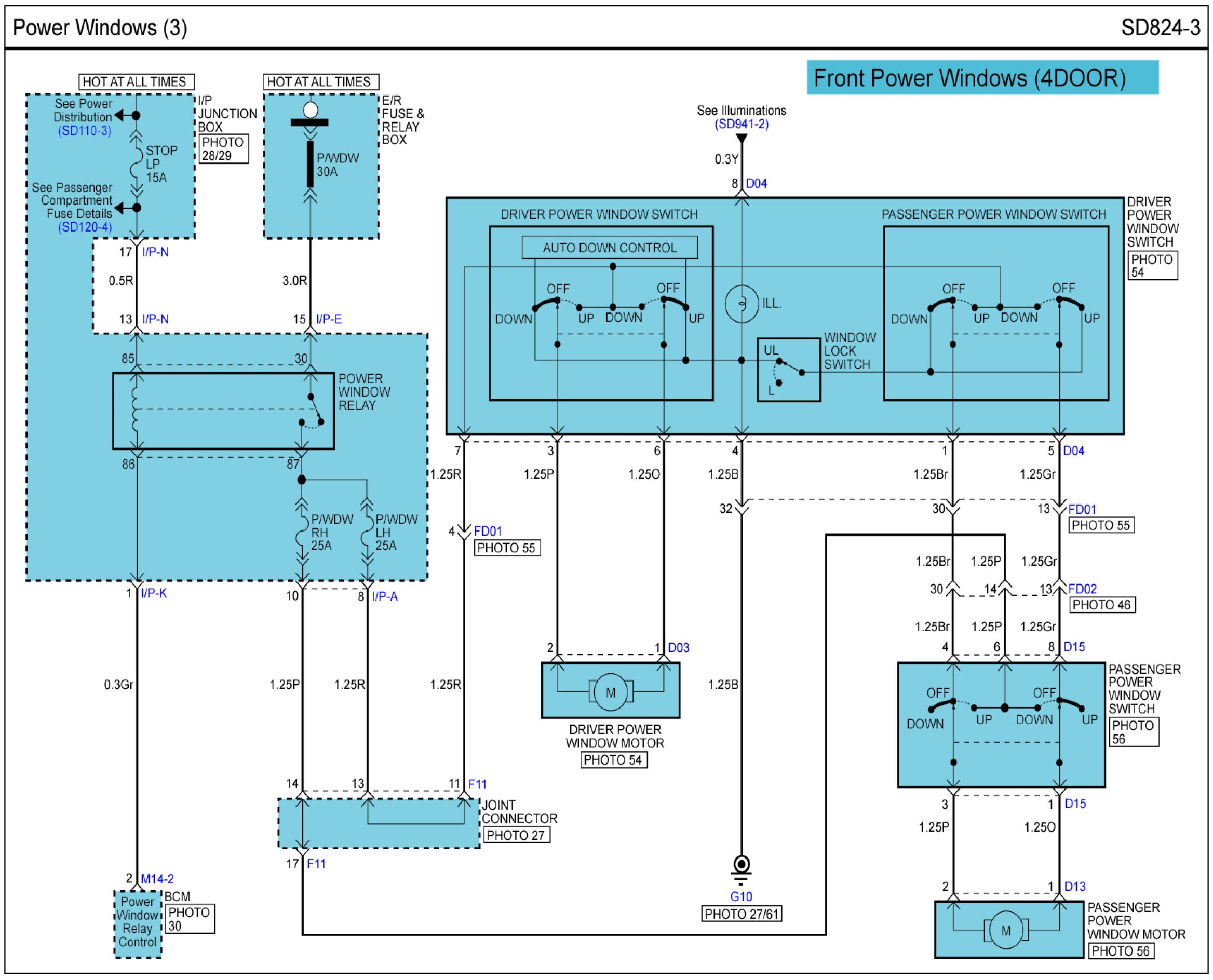
Power Windows (3):




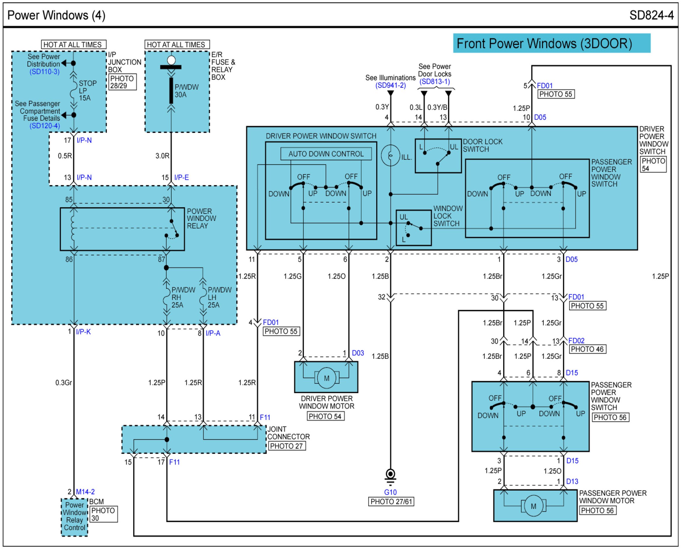
Power Windows (4):




Power Windows Connector Pin Outs:






Locations: Location photographs (references to PHOTOS) referred to within these diagrams can be found via the photo number at the vehicle level under Locations by Photo Number. Component Locations

Connector Views: The Connector Pin Out Views for connectors shown on these diagrams can be found on the Connector Pin Out images that follow most sets of system diagrams.