Curiosii for ever!
: Car repair manuals for everyone.
Home
>>
Hyundai
>>
2008
>>
Tiburon L4-2.0L
>>
Repair and Diagnosis
>>
Maintenance
>>
Hoses
>>
Coolant Line/Hose
>>
Service and Repair
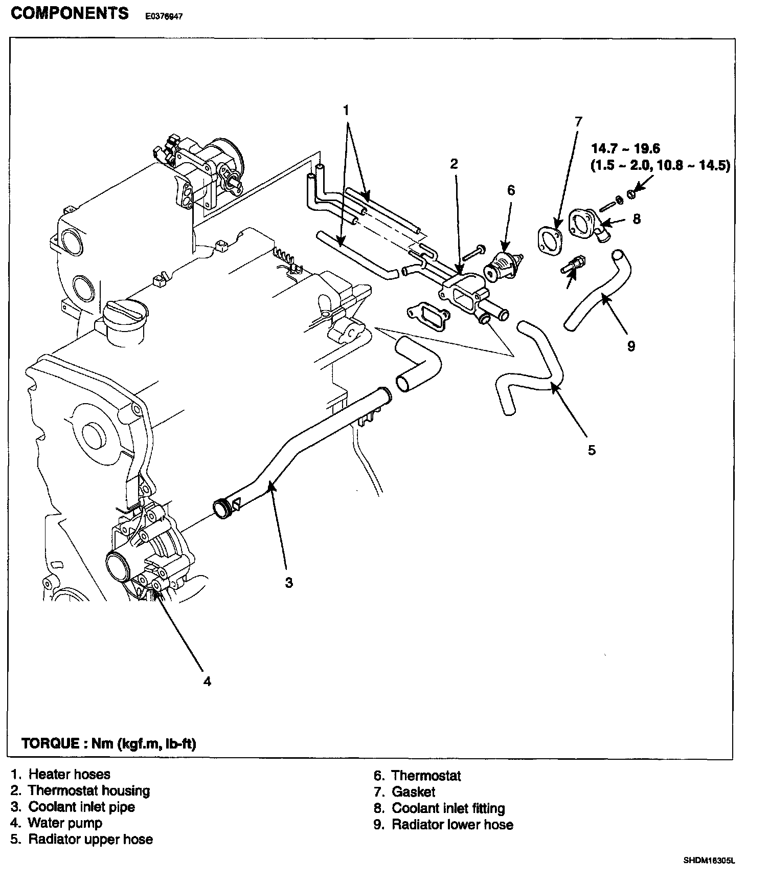
Coolant Line/Hose: Service and Repair
COMPONENTS: