Curiosii for ever!
: Car repair manuals for everyone.
Home
>>
Hyundai
>>
2008
>>
Sonata V6-3.3L
>>
Repair and Diagnosis
>>
Diagrams
>>
Exploded Views
>>
Exhaust System
>>
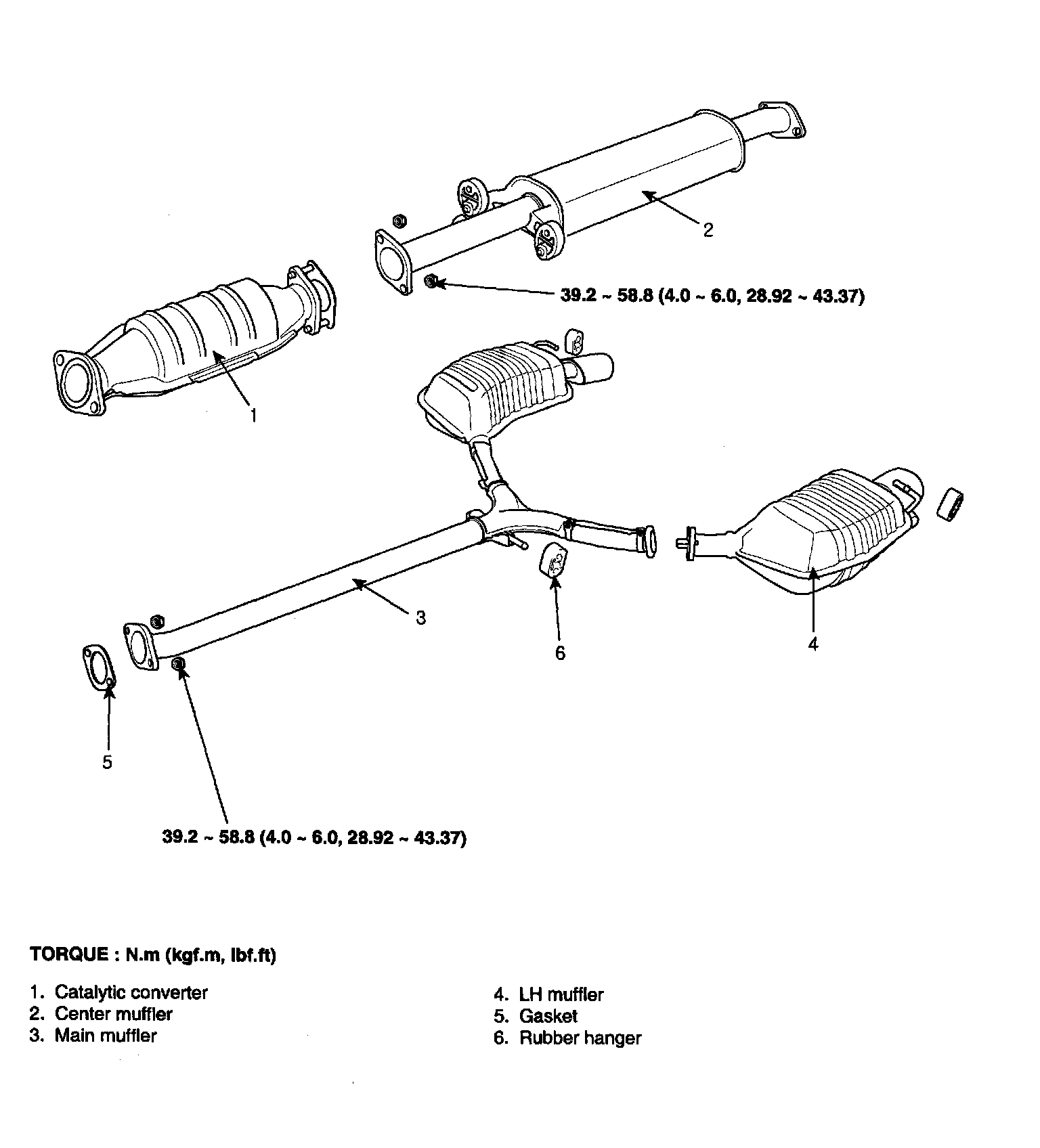
System Diagram
System Diagram
EXHAUST SYSTEM