Curiosii for ever!
: Car repair manuals for everyone.
Home
>>
Hyundai
>>
2008
>>
Sonata L4-2.4L
>>
Repair and Diagnosis
>>
Powertrain Management
>>
Computers and Control Systems
>>
Testing and Inspection
>>
Initial Inspection and Diagnostic Overview
>>
Description of On-Board Diagnostics
>>
Fail-Safe Chart
Fail-Safe Chart
Fail - Safe Chart:
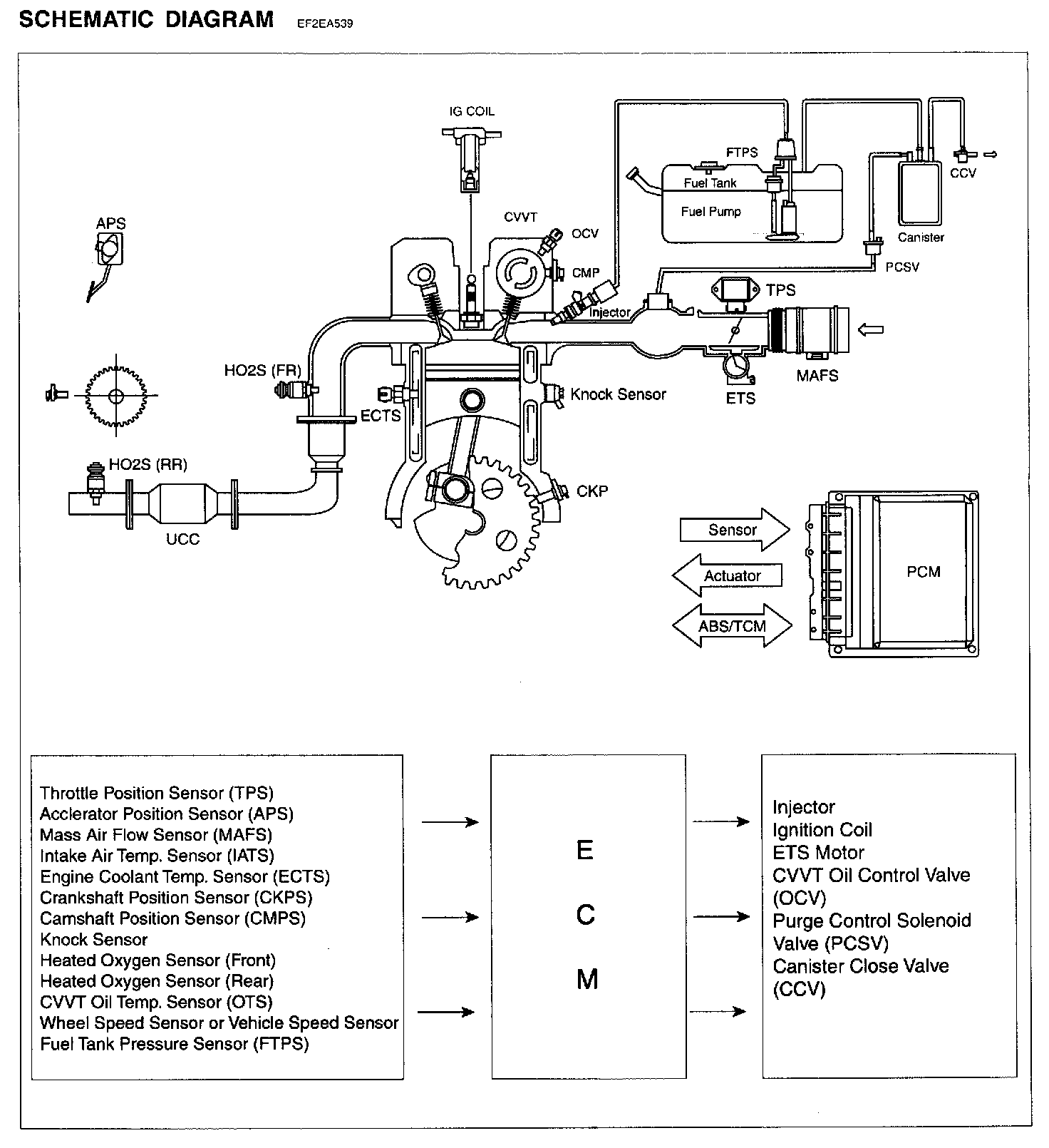
Schematic Diagram: