Curiosii for ever!
: Car repair manuals for everyone.
Home
>>
Hyundai
>>
2008
>>
Sonata L4-2.4L
>>
Repair and Diagnosis
>>
Diagrams
>>
Electrical Diagrams
>>
Powertrain Management
>>
System Diagram
>>
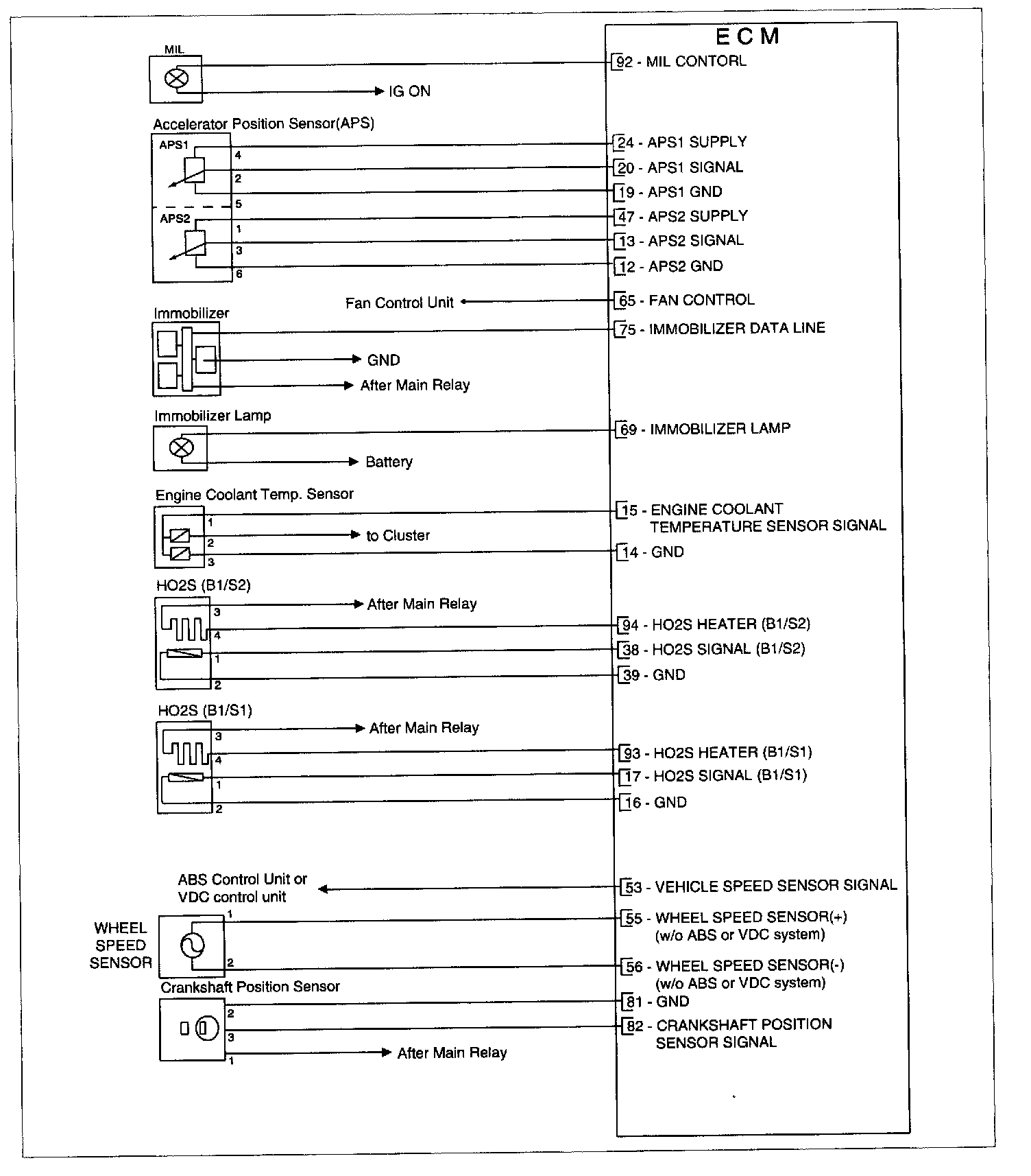
Engine Controls
Engine Controls
Circuit Diagram Part 1:
Circuit Diagram Part 2:
Circuit Diagram Part 3:
Circuit Diagram Part 4: