Curiosii for ever!: Car repair manuals for everyone.

Rear Door Window Regulator: Service and Repair

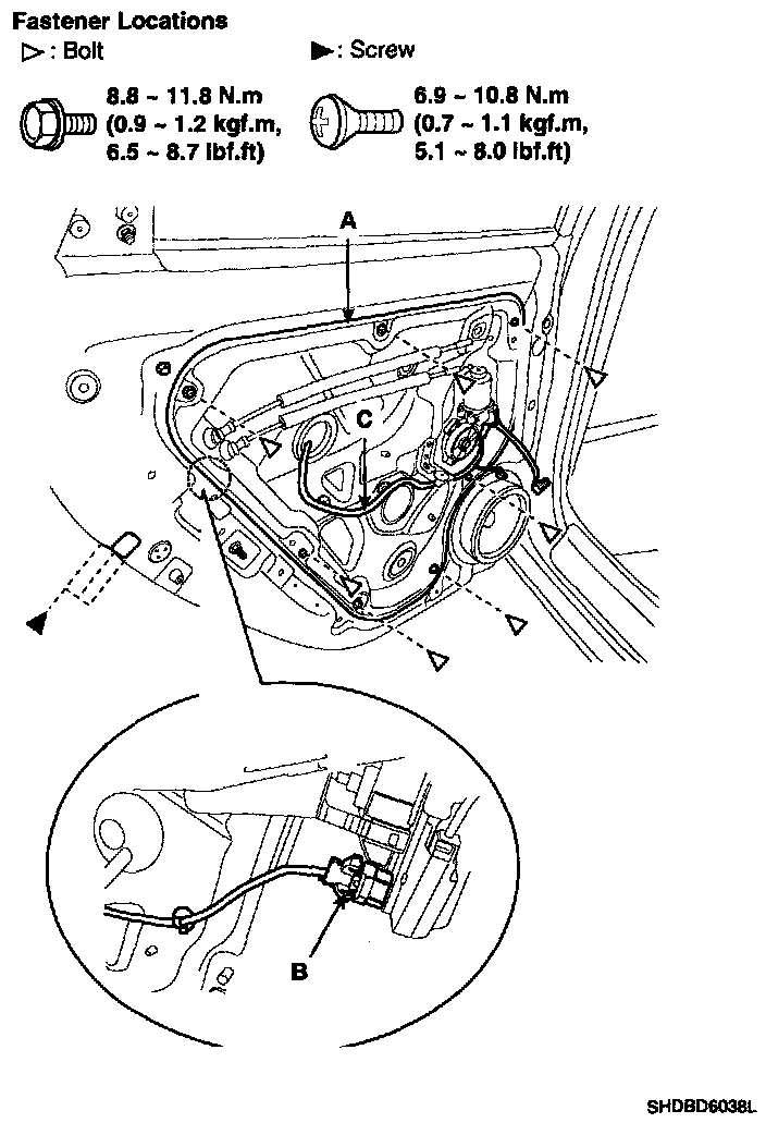
MODULE ASSEMBLY REPLACEMENT

1. Remove the following parts.
- Door trim.
- Window glass.
- Outside handle.

2. Loosen the mounting bolt (A).






3. After loosening the door module mounting bolts, remove the door module (A).
4. Disconnect the connector (B).
5. Detach the clips, then remove the wiring harness(C).






6. Installation is the reverse of removal.

NOTE:
- Make sure the connector is plugged in properly and each rod is connected securely.
- Make sure the door lock and open properly.