Curiosii for ever!
: Car repair manuals for everyone.
Home
>>
Hyundai
>>
2008
>>
Elantra L4-2.0L
>>
Repair and Diagnosis
>>
Diagrams
>>
Electrical Diagrams
>>
Cruise Control
>>
Cruise Control Servo
Cruise Control Servo
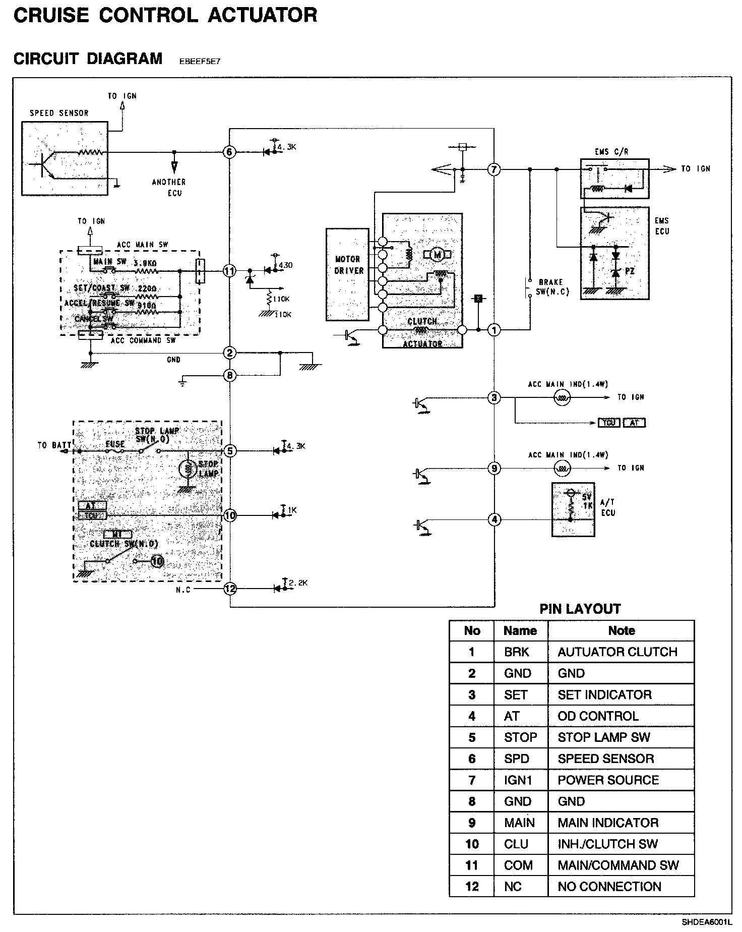
Circuit Diagram For Cruise Control Actuator: