Curiosii for ever!
: Car repair manuals for everyone.
Home
>>
Hyundai
>>
2008
>>
Azera V6-3.8L
>>
Repair and Diagnosis
>>
Diagrams
>>
Fluid Diagrams
>>
Automatic Transmission/Transaxle
Automatic Transmission/Transaxle
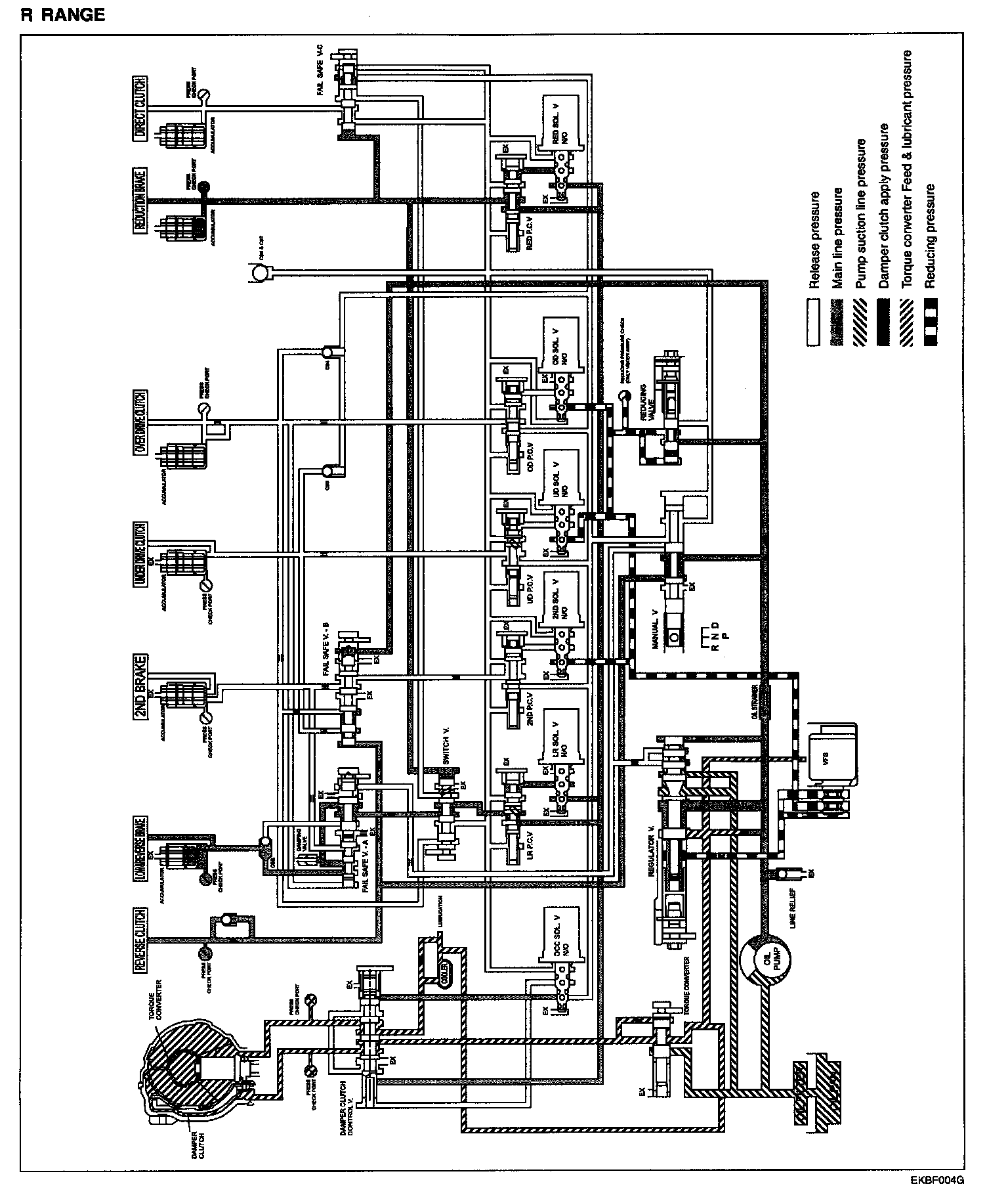
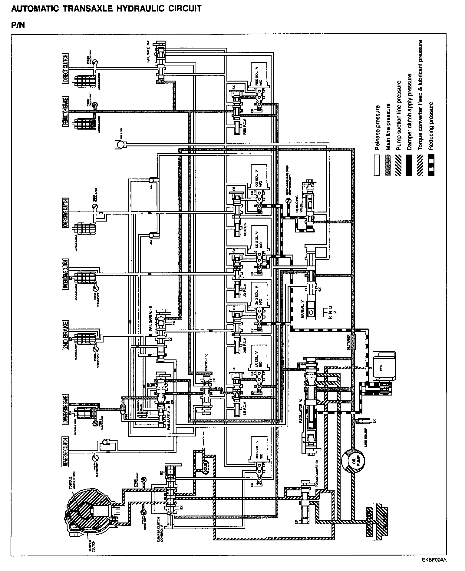
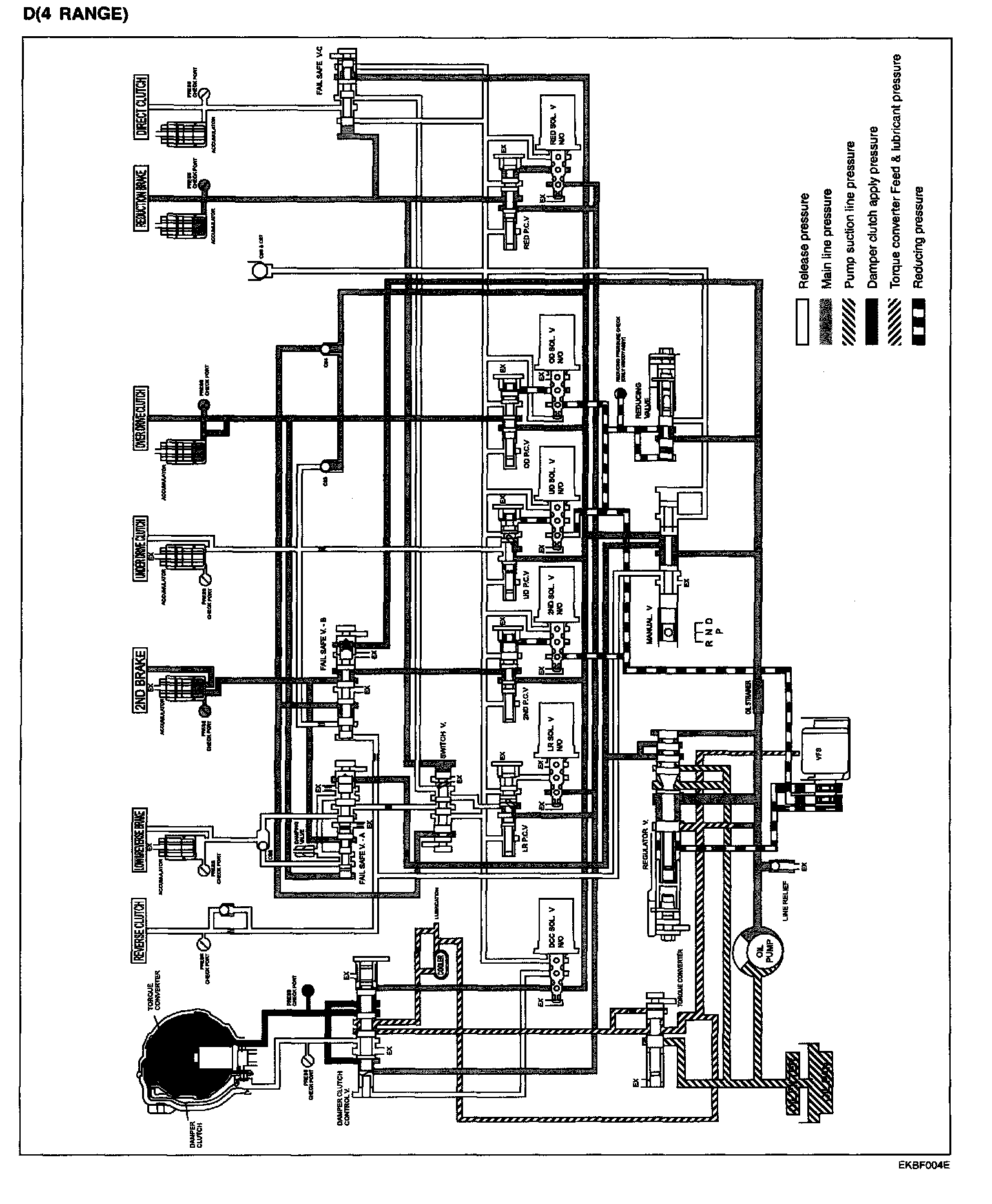
AUTOMATIC TRANSAXLE HYDRAULIC CIRCUIT
P/N:
D(1 RANGE):
D(2 RANGE):
D(3 RANGE):
D(4 RANGE):
D(5 RANGE):
R RANGE: