Curiosii for ever!: Car repair manuals for everyone.

Electrical Diagrams

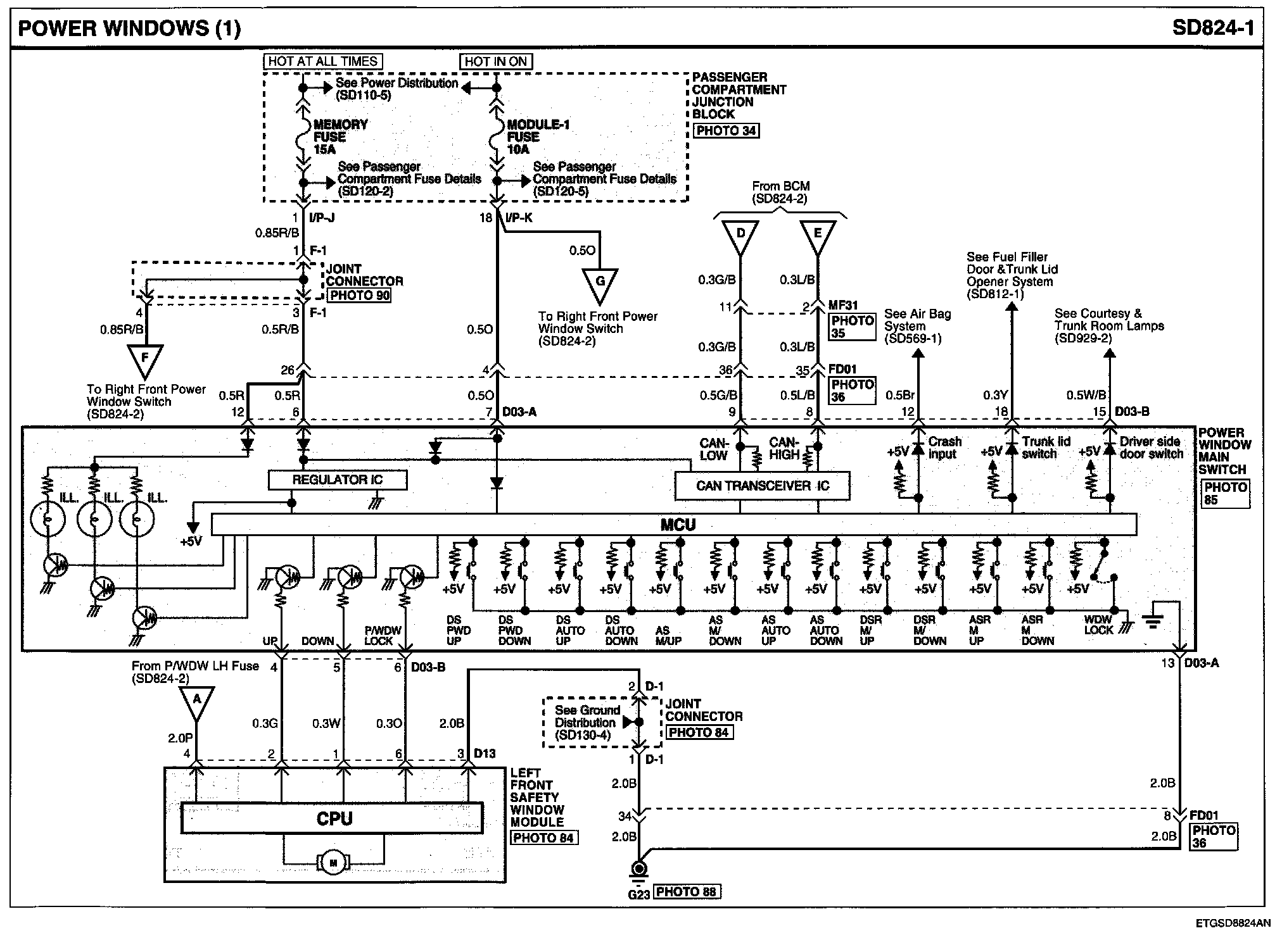
Power Windows (1):




Power Windows (2):




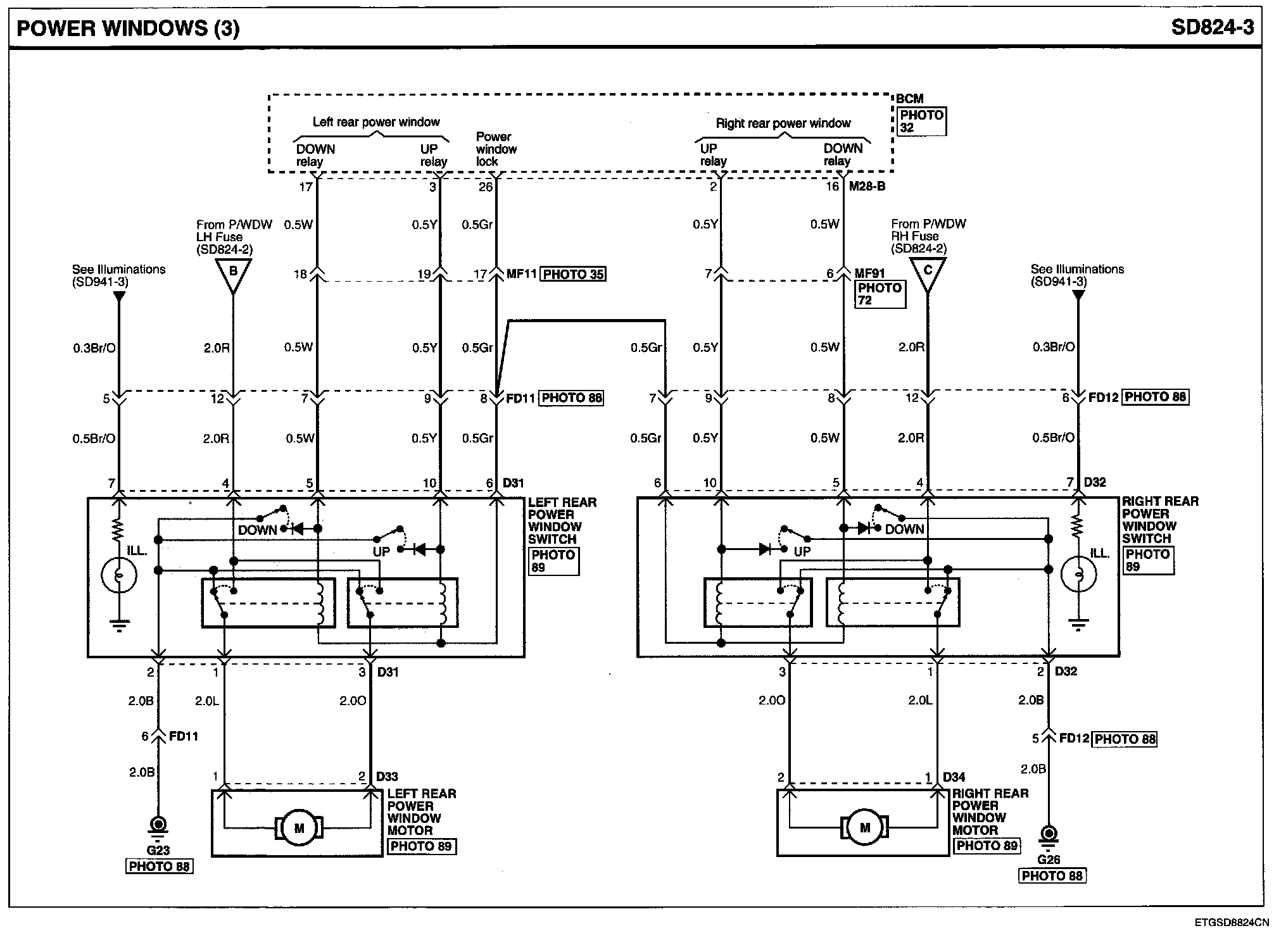
Power Windows (3):




Power Windows Connector Pin Outs:






Locations: Location photographs (references to PHOTOS) referred to within these diagrams can be found via the photo number at the vehicle level under Locations by Photo Number. Locations By Photo Number

Connector View: The Connector Pin Out Views for connectors shown on these diagrams can be found on the Connector Pin Out images that follow most sets of system diagrams.