Turn Signals
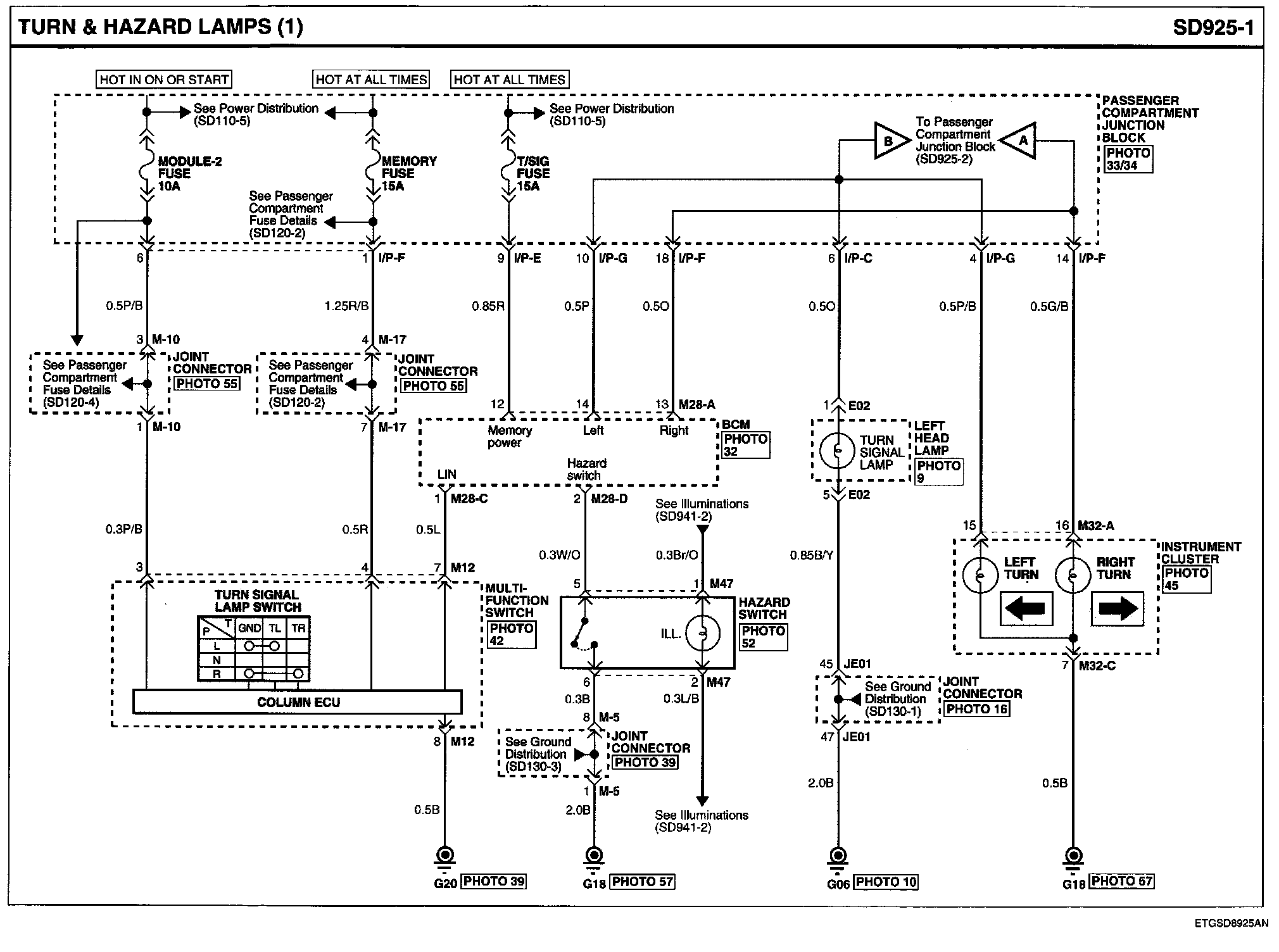
Turn & Hazard Lamps (1):
Turn & Hazard Lamps (2):
Turn & Hazard Lamps Connector Pin Outs:
Locations: Location photographs (references to PHOTOS) referred to within these diagrams can be found via the photo number at the vehicle level under Locations by Photo Number. Locations By Photo Number
Connector View: The Connector Pin Out Views for connectors shown on these diagrams can be found on the Connector Pin Out images that follow most sets of system diagrams.