Curiosii for ever!: Car repair manuals for everyone.

Intake Manifold: Service and Repair

INTAKE MANIFOLD

COMPONENTS:





REMOVAL
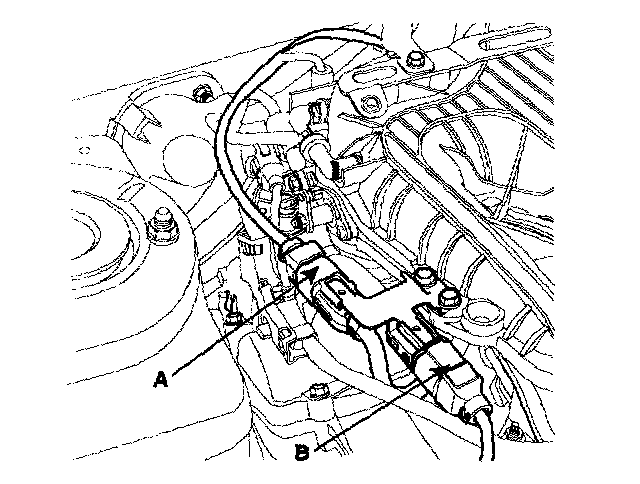
1. Disconnect AFS(A) and breather hose(B).
2. Remove air cleaner upper cover(D) and intake hose(C).





3. Disconnect RH oxygen sensor connector(A).





4. Disconnect RH injector connector(A) and ignition coil connector(B).





5. Disconnect PCSV connector(A), MAP sensor connector (B) and PCSV hose.





6. Disconnect ETC connector(A) and knock sensor connector (B).





7. Disconnect water hoses(B) from ETC.
8. Disconnect PCV(C) hose.





9. Disconnect brake vacuum hose.
10. Remove surge tank stay(A).





11. Remove connector bracket(A) from surge tank.





12. Remove surge tank(A).





13. Disconnect breather Pipe assembly(A).





14. Disconnect LH injector connector.
15. Remove intake manifold(A) and gasket.





INSTALLATION
1. Install intake manifold and new gasket on the cylinder head.

Tightening torque
1st 3.9-5.9 Nm (0.4-0.6 kgf-m, 2.9-4.3 lb-ft)
2nd 18.62-23.52 Nm (1.9-2.4 kgf-m, 13.74-17.36 lb-ft)
3rd: Repeat 2nd step twice or move.

NOTE: Be careful of the installation direction.
a-h 1st step order
1-8 2nd step order





2. Install delivery pipe.
3. Connect LH injector connector.
4. Connect breather Pipe assembly.

Tightening torque 9.80-11.76 Nm (1.0-1.2 kgf-m, 7.23-8.68 lb-ft)

5. Install surge tank.

Tightening torque
9.80-11.76 Nm (1.0-1.2 kgf-m, 7.23-8.68 lb-ft)
18.62-23.52 Nm (1.9-2.4 kgf-m, 13.74-17.36 lb-ft)

6. Install connector bracket on the surge tank.

Tightening torque 6.86-10.78 Nm (0.7-1.1 kgf-m, 5.06-7.96 lb-ft)

7. Install surge tank stay.

Tightening torque
27.44-31.36 Nm (2.8-3.2 kgf-m, 20.25-23.14 lb-ft)
18.62-23.52 Nm (1.9-2.4 kgf-m, 13.74-17.36 lb-ft)

8. Connect brake vacuum hose.
9. Connect PCV hose.
10. Connect water hoses to ETC.
11. Install ETC bracket.

Tightening torque 15.68-25.48 Nm (1.6-2.6 kgf-m, 11.57-18.80 lb-ft)

12. Connect ETC connector and knock sensor connector.
13. Connect PCSV connector, MAP sensor connector and PCSV hoe.
14. Connect RH injector connector and ignition coil connector.
15. Connect RH oxygen sensor connector.
16. Install air cleaner upper cover and in take hose.
17. Connect AFS(A) and breather hose.