Curiosii for ever!
: Car repair manuals for everyone.
Home
>>
Hyundai
>>
2006
>>
Sonata L4-2.4L
>>
Repair and Diagnosis
>>
Brakes and Traction Control
>>
Antilock Brakes / Traction Control Systems
>>
Description and Operation
>>
System Descriptions
>>
ABS Control
ABS Control
ABS Control
1.
NORMAL BRAKING without ABS
NORMAL BRAKING without ABS:
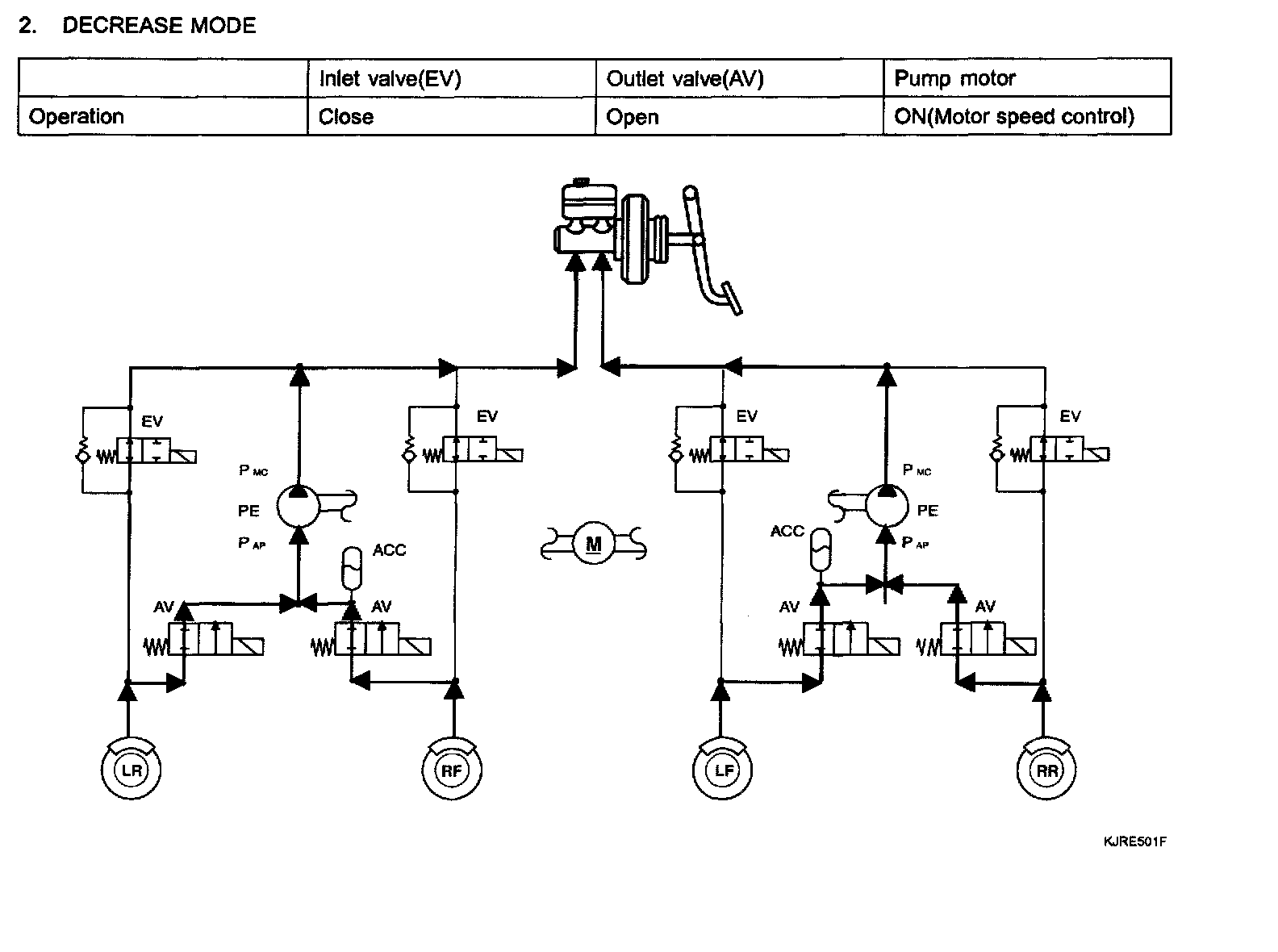
2.
DECREASE MODE
DECREASE MODE:
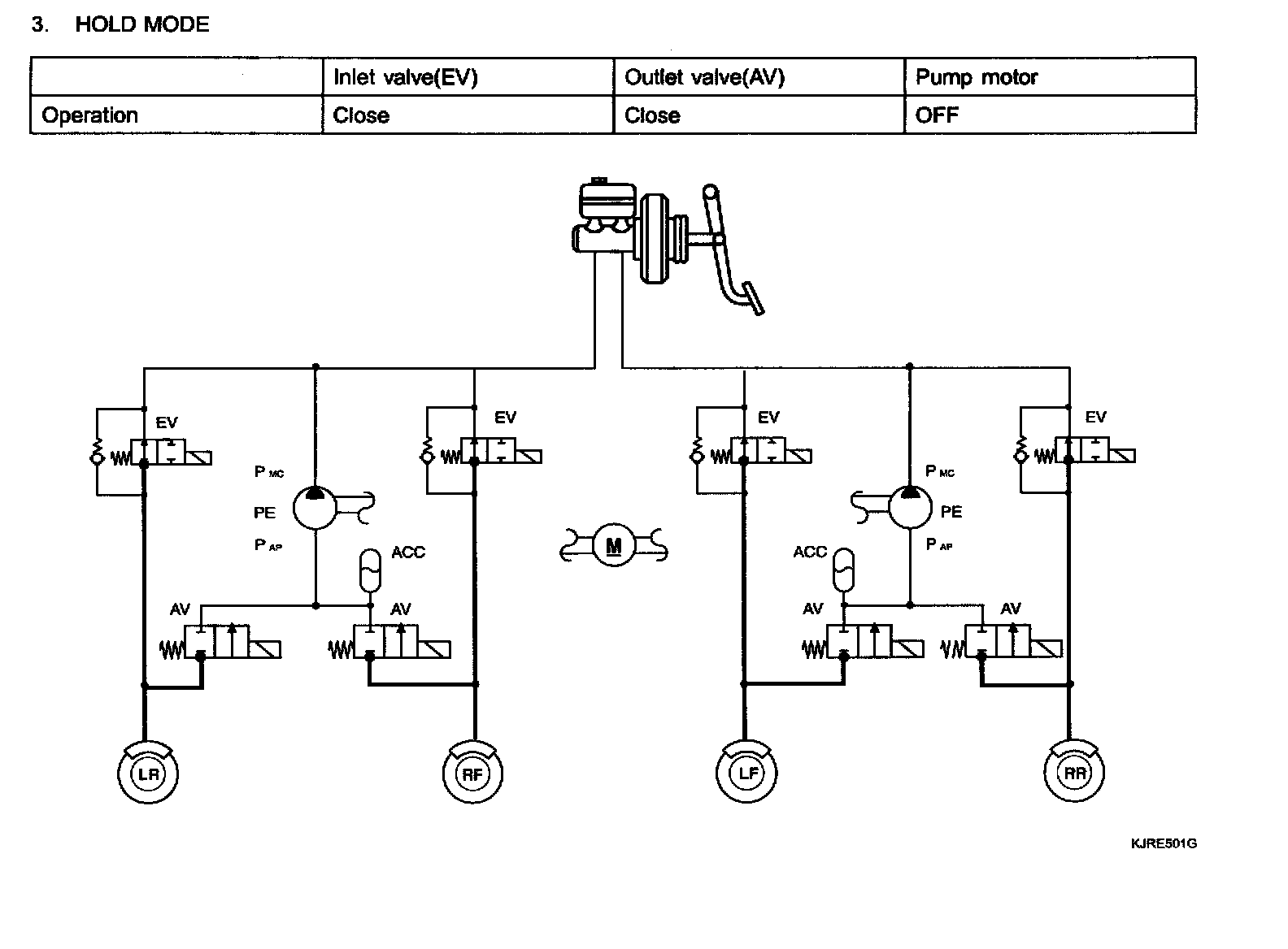
3.
HOLD MODE
HOLD MODE:
4.
INCREASE MODE
INCREASE MODE: