Curiosii for ever!
: Car repair manuals for everyone.
Home
>>
Hyundai
>>
2006
>>
Elantra L4-2.0L
>>
Repair and Diagnosis
>>
Powertrain Management
>>
Diagrams
>>
Electrical Diagrams
>>
System Overview Diagram
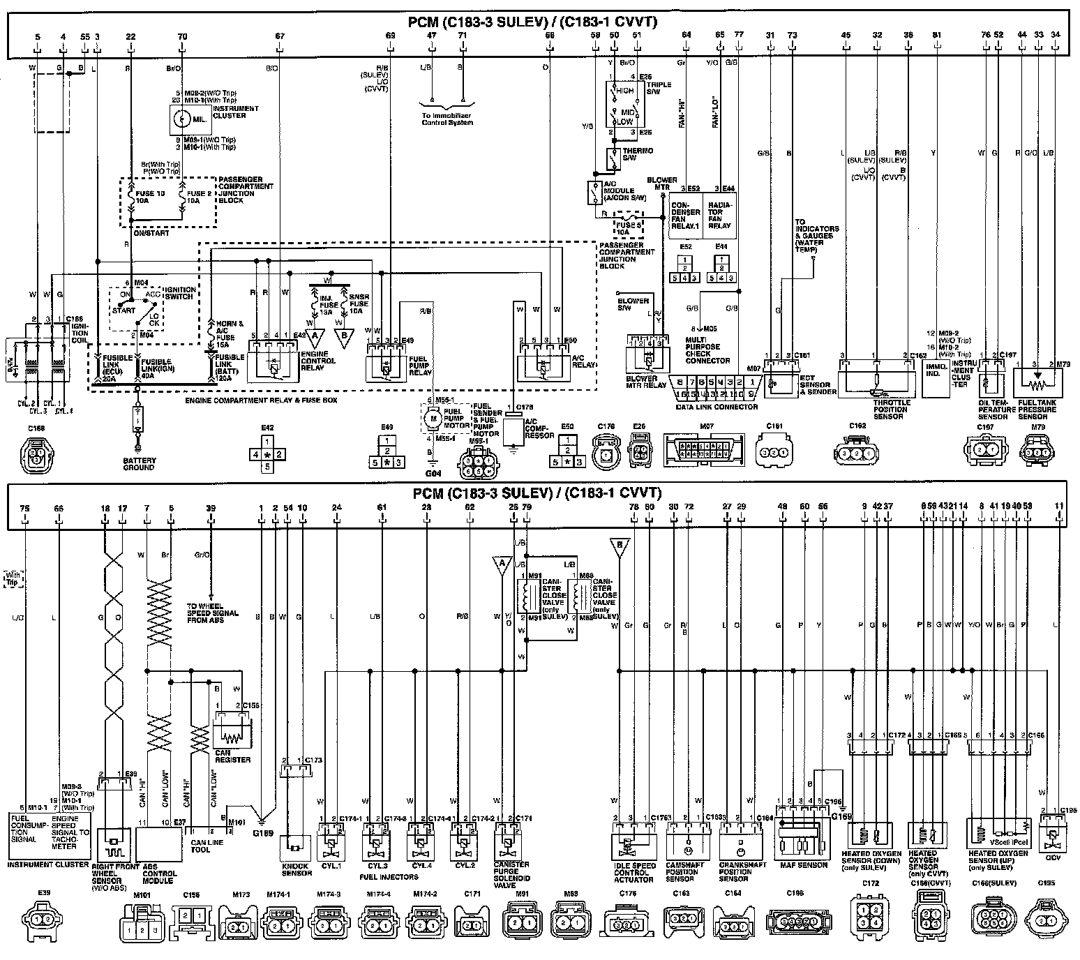
System Overview Diagram
Full Circuit Diagram Part 1:
Full Circuit Diagram Part 2: