Curiosii for ever!: Car repair manuals for everyone.

Vehicle Speed Sensor

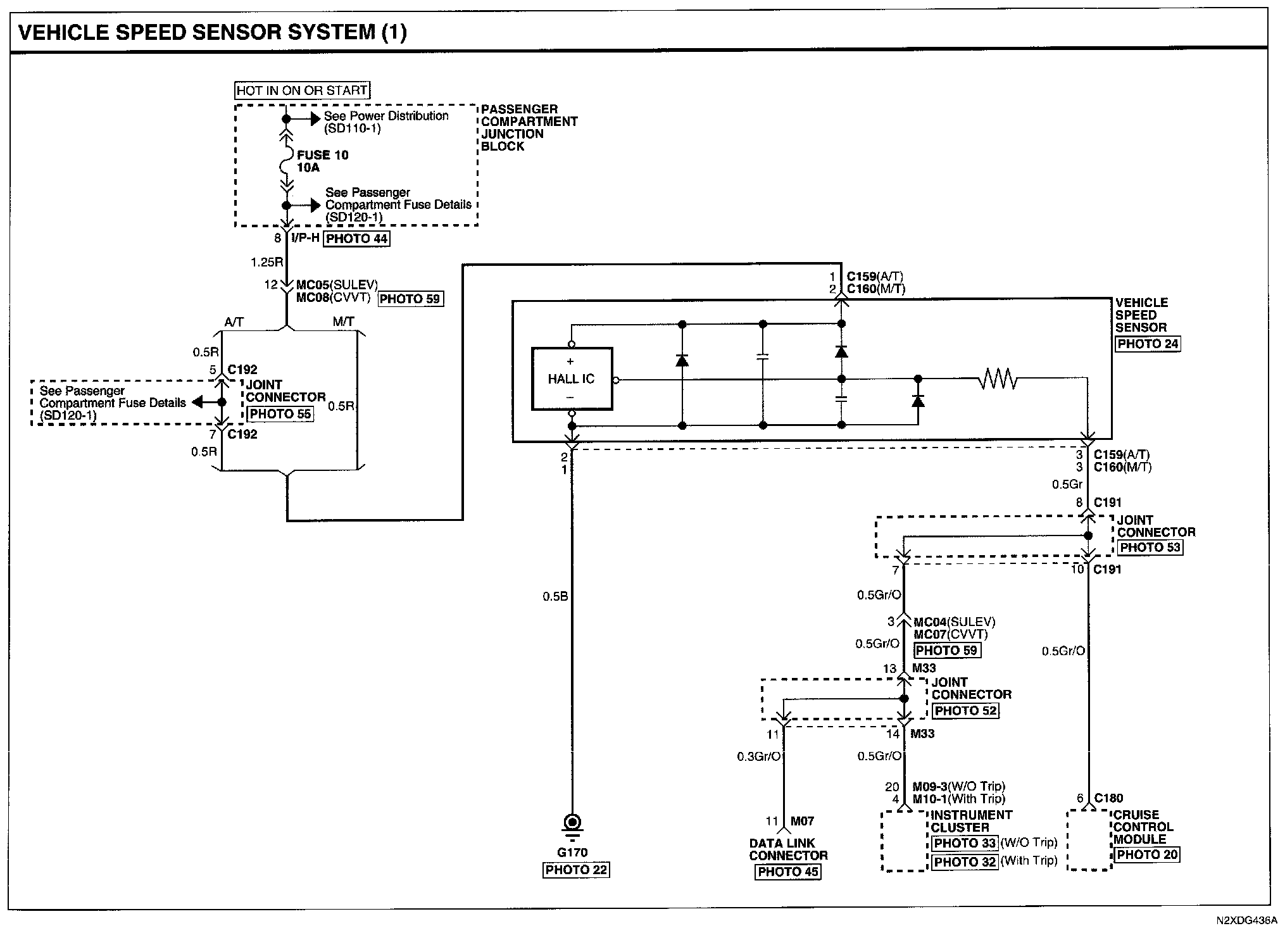
Vehicle Speed Sensor System (1):




Vehicle Speed Sensor System (2):






Locations: Location photographs (references to PHOTOS) referred to within these diagrams can be found via the photo number at the vehicle level under Locations by Photo Number. Component Locations

Connector Views: The Connector Pin Out Views for connectors shown on these diagrams can be found on the Connector Pin Out images that follow most sets of system diagrams.