Timer/Control Unit, Accessory Control
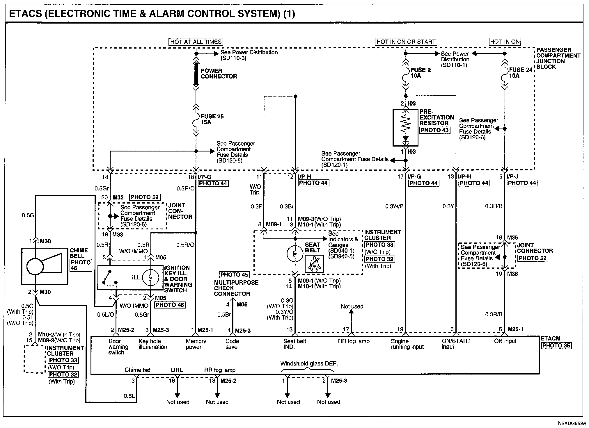
ETACS (Electronic Time & Alarm Control System) (1):
ETACS (Electronic Time & Alarm Control System) (2):
ETACS (Electronic Time & Alarm Control System) Connector Pin Outs:
Locations: Location photographs (references to PHOTOS) referred to within these diagrams can be found via the photo number at the vehicle level under Locations by Photo Number. Component Locations
Connector Views: The Connector Pin Out Views for connectors shown on these diagrams can be found on the Connector Pin Out images that follow most sets of system diagrams.