Curiosii for ever!: Car repair manuals for everyone.

Rear Door Window Regulator: Service and Repair

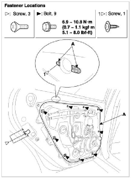
MODULE ASSEMBLY REPLACEMENT

1. Remove the rear door trim.
2. Remove the glass.
3. Remove the inside handle.
4. Remove the outside handle.
5. After loosen the door module mounting bolts, remove the door module (A).






6. Disconnect the connector (C).
7. Detach the clips, then remove the wiring harness (A).
8. Remove the module (B).






9. Installation is the reverse of removal.

NOTE:
- Make sure the connector is plugged in properly and each cable is connected securely.
- Make sure the door lock and open properly.