Curiosii for ever!: Car repair manuals for everyone.

Rear Window Defogger Timer

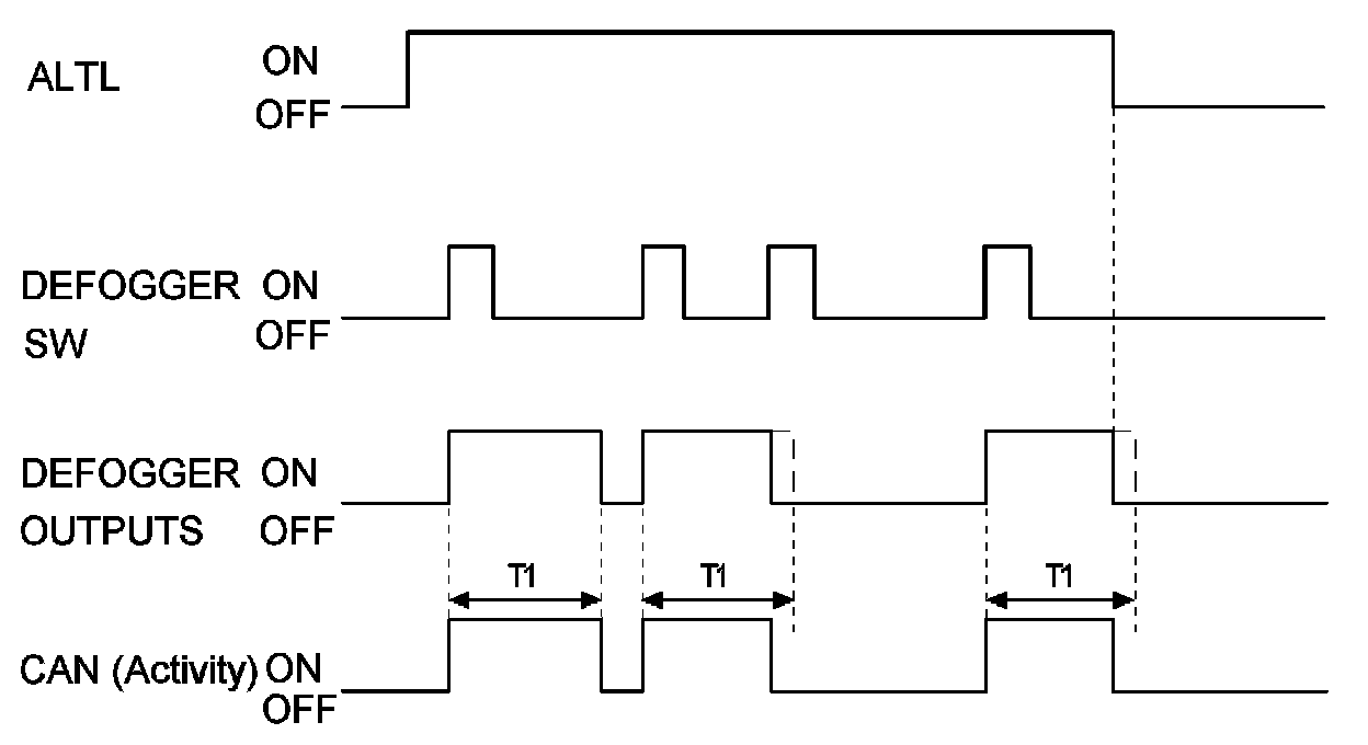
INSPECTION
1. Condition 1
A. Alternator level high & defogger is OFF(Defogger relay OFF and defogger activity OFF)
B. Defogger is activated (defogger switch ON)
C. Defogger outputs are turned ON

2. Condition 2
A. Alternator level high & defogger is ON
B. Defogger switch Input pushed again or T1 delay has elapsed since defogger has been turned ON
C. Defogger outputs are turned OFF

3. Condition 3 If alternator input is changed to low, defogger outputs should be turned OFF immediately.




4. Outside mirror defogger of door module can be controlled by CAN communication at the same time.