Curiosii for ever!
: Car repair manuals for everyone.
Home
>>
Hyundai
>>
2006
>>
Azera V6-3.8L
>>
Repair and Diagnosis
>>
Powertrain Management
>>
Emission Control Systems
>>
Evaporative Emissions System
>>
Diagrams
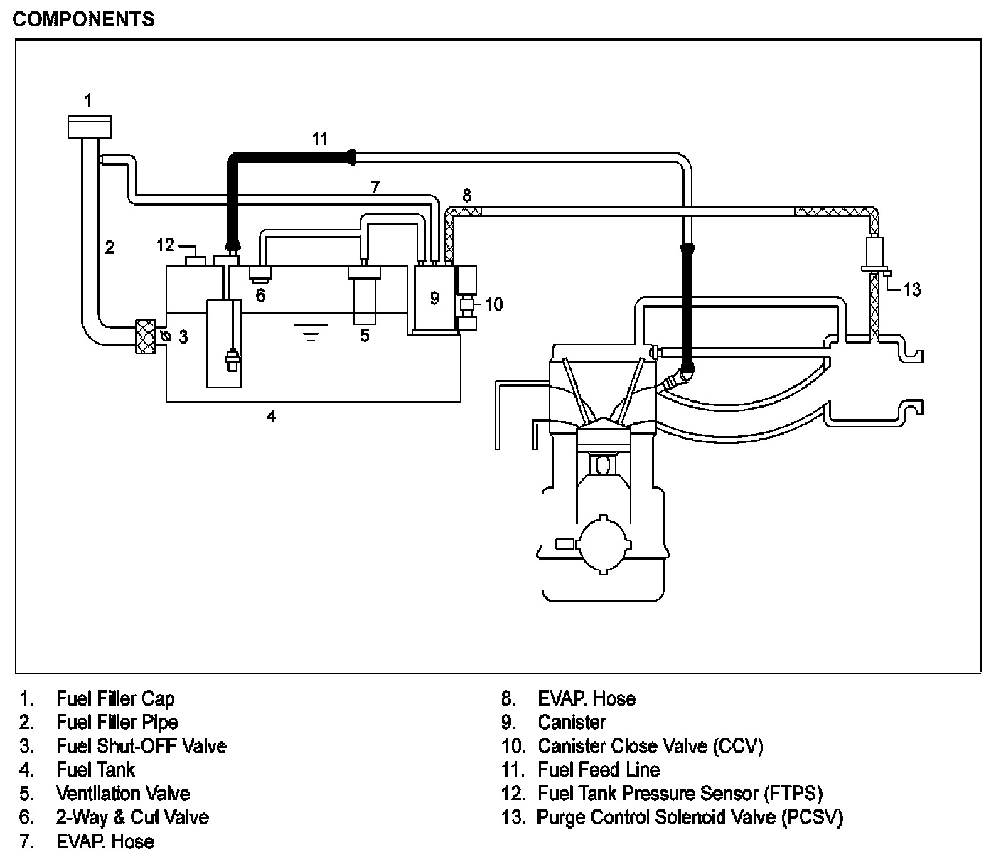
Evaporative Emissions System: Diagrams
Components: