Curiosii for ever!
: Car repair manuals for everyone.
Home
>>
Hyundai
>>
2006
>>
Azera V6-3.8L
>>
Repair and Diagnosis
>>
Diagrams
>>
Electrical Diagrams
>>
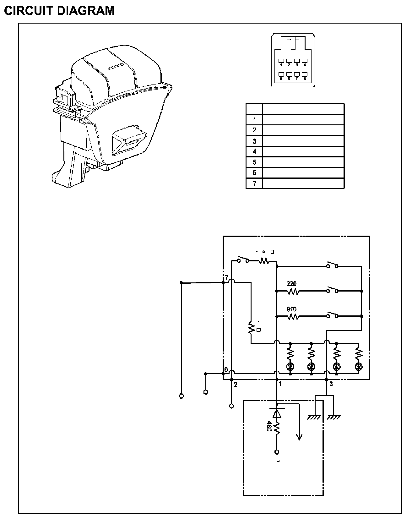
Cruise Control
Cruise Control
Circuit Diagram For Cruise Control System: