Curiosii for ever!: Car repair manuals for everyone.

ESP (Electronic Stability Program) System

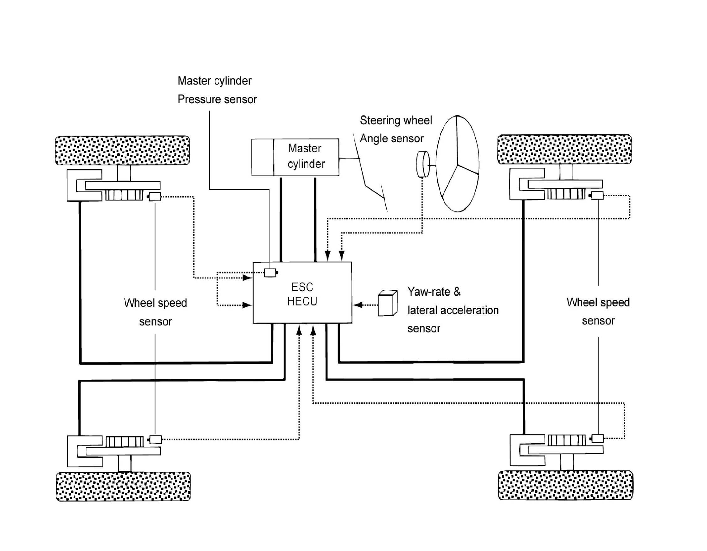
ESP (ELECTRONIC STABILITY PROGRAM) SYSTEM

DESCRIPTION OF ESC
Optimum driving safety now has a name: ESC, the Electronic Stability Control.ESC recognizes critical driving conditions, such as panic reactions in dangerous situations, and stabilizes the vehicle by wheel-individual braking and engine control intervention with no need for actuating the brake or the gas pedal. ESC adds a further function known as Active Yaw Control (AYC) to the ABS, TCS, EBD and ESC functions. Whereas the ABS/TCS function controls wheel slip during braking and acceleration and, thus, mainly intervenes in the longitudinal dynamics of the vehicle, active yaw control stabilizes the vehicle about its vertical axis. This is achieved by wheel individual brake intervention and adaptation of the momentary engine torque with no need for any action to be taken by the driver. ESC essentially consists of three assemblies: the sensors, the electronic control unit and the actuators. Of course, the stability control feature works under all driving and operating conditions. Under certain driving conditions, the ABS/TCS function can be activated simultaneously with the ESC function in response to a command by the driver. In the event of a failure of the stability control function, the basic safety function, ABS, is still maintained.





DESCRIPTION OF ESC CONTROL
ESC system includes ABS/EBD, TCS and AYC function. ABS/EBD function the ECU changes the active sensor signal (current shift) coming from the four wheel sensors to the square wave. By using the input of above signals, the ECU calculates the vehicle speed and the acceleration & deceleration of the four wheels. And, the ECU judges whether the ABS/EBD should be actuated or not. TCS function prevents the wheel slip of drive direction by adding the brake pressure and engine torque reduction via CAN communication. TCS function uses the wheel speed sensor signal to determine the wheel slip as far as ABS function. AYC function prevents unstable maneuver of the vehicle. To determine the vehicle maneuver, AYC function uses the maneuver sensor signals (Yaw Rate Sensor, Lateral Acceleration Sensor, Steering Wheel Angle Sensor). If vehicle maneuver is unstable (Over Steer or Under Steer), AYC function applies the brake pressure on certain wheel, and sends engine torque reduction signal by CAN. After the key-on, the ECU continually diagnoses the system failure. (self-diagnosis) If the system failure is detected, the ECU informs driver of the system failure through the BRAKE/ABS/ESC warning lamp. (fail-safe warning)





VARIANT CODING
A hardware difference of ECU does not exist according to the specification of the vehicle, but a software changes according to difference of vehicle parameter. The ESC stores variant code (data of engine, displacement volume, T/M) at the ECU memory. Since then an ESC uses the stored data.





PROCEDURE
1. Install a EMS/TCU/ESC normally.
2. Connect the hi-scan (pro) to the data link connector located underneath the dash panel.





3. Select vehicle name.
4. Select ANTI-LOCK BRAKE SYSTEM.
5. Select the variant coding.





6. Follow the next procedure according to the comment.





7. Confirm the condition, and then push the "REST".





8. If the procedure is finished, the below screen is displayed.





9. IGN off.
10. IGN on.
11. The variant coding is completed.

CAUTION: If the warning lamp (ESC, EBD, ABS) is lighted up, follow the "Variant coding" again.

INPUT AND OUTPUT DIAGRAM