Curiosii for ever!
: Car repair manuals for everyone.
Home
>>
Hyundai
>>
2006
>>
Accent L4-1.6L
>>
Repair and Diagnosis
>>
Heating and Air Conditioning
>>
Description and Operation
Heating and Air Conditioning: Description and Operation
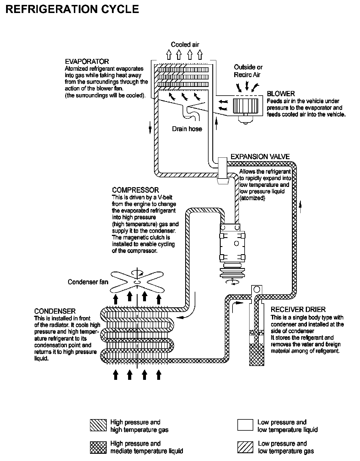
Refrigeration Cycle: