Curiosii for ever!: Car repair manuals for everyone.

Engine Block Disassembly

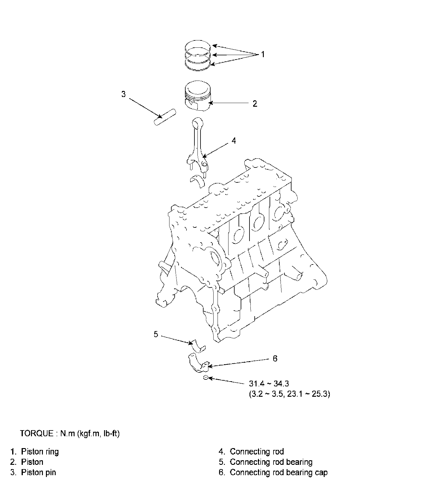
DISASSEMBLY

COMPONENT:








1. M/T: Remove the fly wheel.
2. NT: Remove the drive plate.
3. Install the engine to engine stand for disassembly.
4. Remove the timing belt.
5. Remove the cylinder head.
6. Remove the oil level gauge tube (A).





7. Remove the knock sensor (A).





8. Remove the oil pressure switch (A).





9. Remove the water pump.
10. Remove the oil pan (A).





11. Remove the oil screen. Remove the 2 bolts (C), oil screen (A) and gasket (B).





12. Check the connecting rod end play.
13. Remove the connecting rod caps and check oil clearance.
14. Remove the piston and connecting rod assemblies.
A. Using a ridge reamer, remove all the carbon from the top of the cylinder.
B. Push the piston, connecting rod assembly and upper bearing through the top of the cylinder block.

NOTE:
^ Keep the bearings, connecting rod and cap together.
^ Arrange the piston and connecting rod assemblies in the correct order.

15. Remove the front case.
16. Remove the rear oil seal case. Remove the 5 bolts (B) and rear oil seal case (A).





17. Remove the crankshaft bearing cap and check oil clearance.
18. Check the crankshaft end play.
19. Lift the crankshaft (A) out of the engine, being careful not to damage journals.

NOTE: Arrange the main bearings and thrust bearings in the correct order.





20. Check fit between piston and piston pin. Try to move the piston back and forth on the piston pin. If any movement is felt, replace the piston and pin as a set.
21. Remove the piston rings.
A. Using a piston ring expander, remove the 2 compression rings.
B. Remove the 2 side rails and oil ring by hand.

NOTE: Arrange the piston rings in the correct order only.

22. Remove the connecting rod from the piston. Using a press, remove the piston pin from piston.
(Press-in load: 500 - 1,500 kg (1,102 3,306 lb))