Curiosii for ever!: Car repair manuals for everyone.

Intake Manifold: Service and Repair

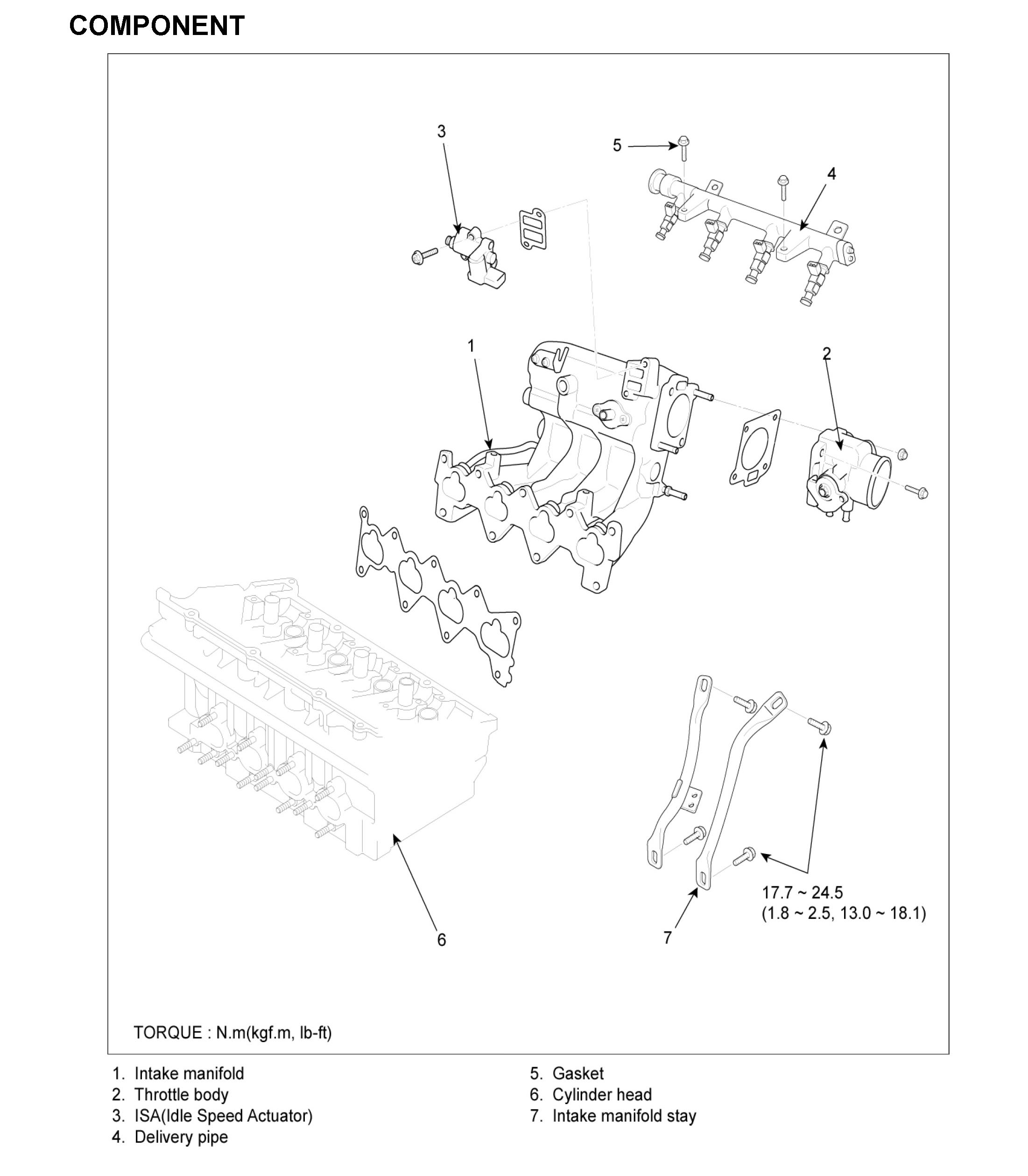
Intake Manifold

COMPONENT:





REMOVAL
1. Remove the engine cover.
2. Remove the accelerator cable (A).
3. Disconnect the TPS (Throttle Position Sensor) connector (B).
4. Disconnect the ISA (Idle Speed Actuator) connector (B).
5. Disconnect the PCV (Positive Crankcase Ventilation) hose (D) and breather hose (E).





6. Disconnect the injector connector (No. 3, 4) (A).
7. Disconnect the injector connector (No. 1, 2) (B).





8. Remove the heater hose (A), PCSV (Purge Control Solenoid Valve) (B) and the brake vacuum hose (C) from throttle body and intake manifold.
9. Disconnect the PCSV (Purge Control Solenoid Valve) (D) and water temperature sensor connector (E).





10. Remove the delivery pipe (A).
Tightening torque: 18.6 - 27.5 N.m (1.9 - 2.8 kgf.m, 13.7 - 20.3 lb-ft)





11. Remove the intake manifold stay (A).
Tightening torque: 17.7 - 24.5 N.m (1.8 - 2.5 kgf.m, 13.0 - 18.1 lb-ft)





12. Remove the intake manifold.
Tightening torque: 14.7 - 19.6 N.m (1.5 - 2.0 kgf.m, 10.8 - 14.5 lb-ft)





13. Installation is in the reverse order of removal with new gasket.