Curiosii for ever!
: Car repair manuals for everyone.
Home
>>
Hyundai
>>
2005
>>
Tiburon L4-2.0L
>>
Repair and Diagnosis
>>
Diagrams
>>
Fluid Diagrams
>>
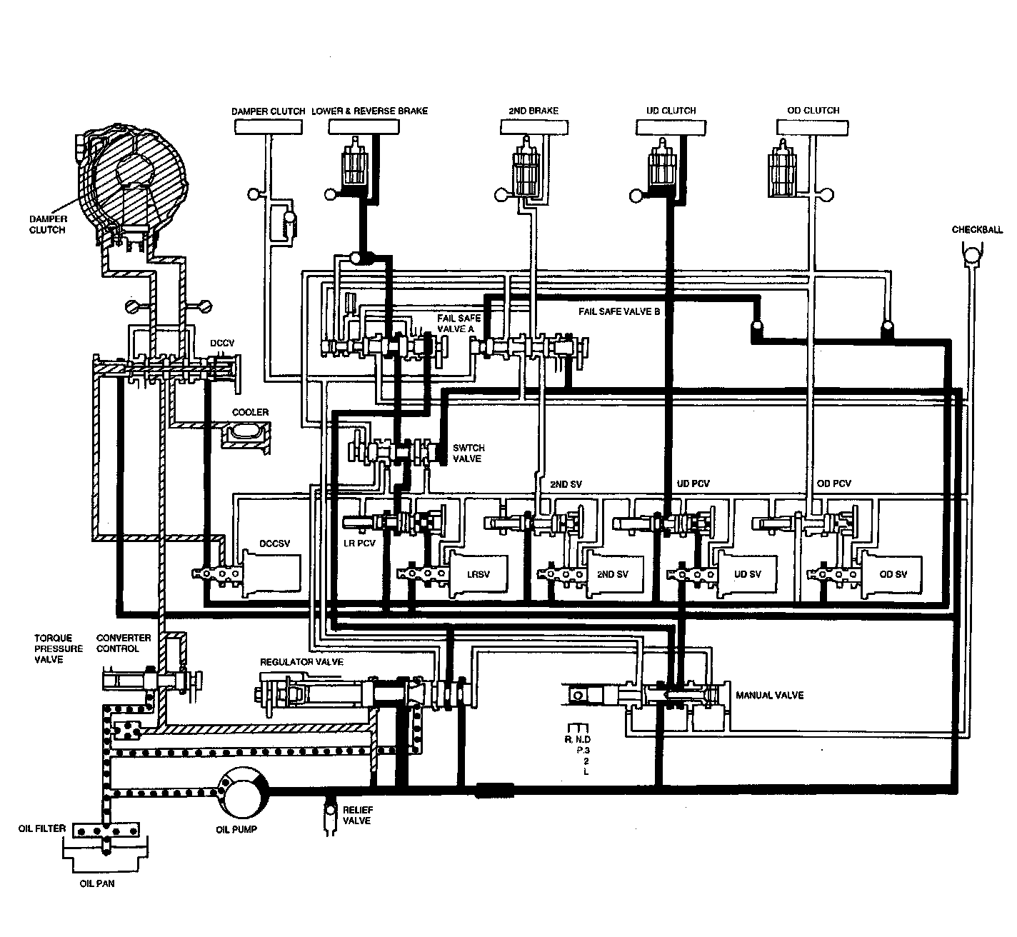
Automatic Transmission/Transaxle
>>
First
First
Part 1:
Part 2: