Curiosii for ever!: Car repair manuals for everyone.

Camshaft Position Sensor: Testing and Inspection




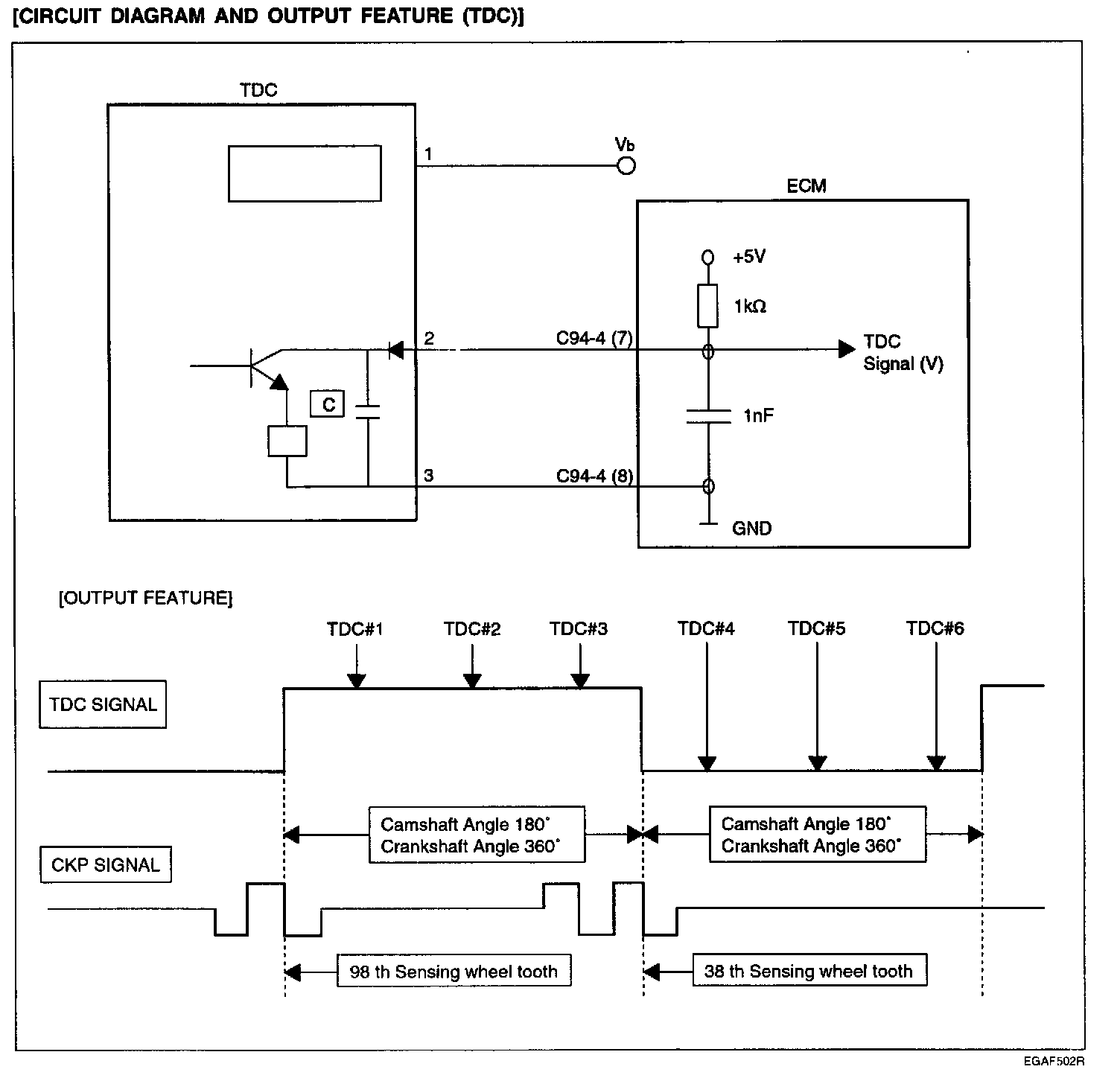
CAMSHAFT POSITION (TDC) SENSOR
The TDC Sensor is a Hall-effect sensor that detects the camshaft position on the compression stroke of the N0.1 cylinder, converts it into a pulse signal, and inputs it to the ECM. The ECM then computes the fuel injection sequence, etc. based on the input signal.


Circuit Diagram And Output Feature (TDC):






Harness Connector:






TROUBLESHOOTING HINTS
It the TDC Sensor does not operate correctly, sequential injection is may not occur and the engine may stall or run irregularly at idle or fail to accelerate normally.

Harness Inspection Procedures (TDC):