Curiosii for ever!
: Car repair manuals for everyone.
Home
>>
Hyundai
>>
2005
>>
Sonata L4-2.4L
>>
Repair and Diagnosis
>>
Powertrain Management
>>
Emission Control Systems
>>
Exhaust Gas Recirculation
>>
EGR Control Solenoid
>>
Locations
>>
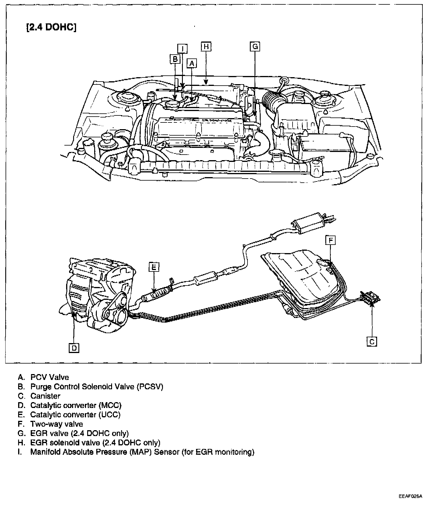
Component Locations
Component Locations
H. EGR Solenoid Valve:
Emission Control Components Location: