Timing Belt: Service and Repair
TIMING BELTCOMPONENT
REMOVAL
Engine removal is not required for this procedure.
1. Remove the engine cover (A).
2. Remove RH front wheel.
3. Remove 2 bolts (B) and RH side cover (A).
4. Remove the engine mount bracket.
1. Set the jack to the engine oil pan.
NOTE: Place wooden block between the jack and engine oil pan.
2. Remove the bolt (B), 3 nuts (C) and engine mount bracket (A).
3. Remove the bolt (B) and stay plate (A).
5. Temporarily loosen the water pump pulley bolts.
6. Remove alternator belt.
7. Remove air compressor belt.
8. Remove power steering belt.
9. Remove 4 bolts and water pump pulley.
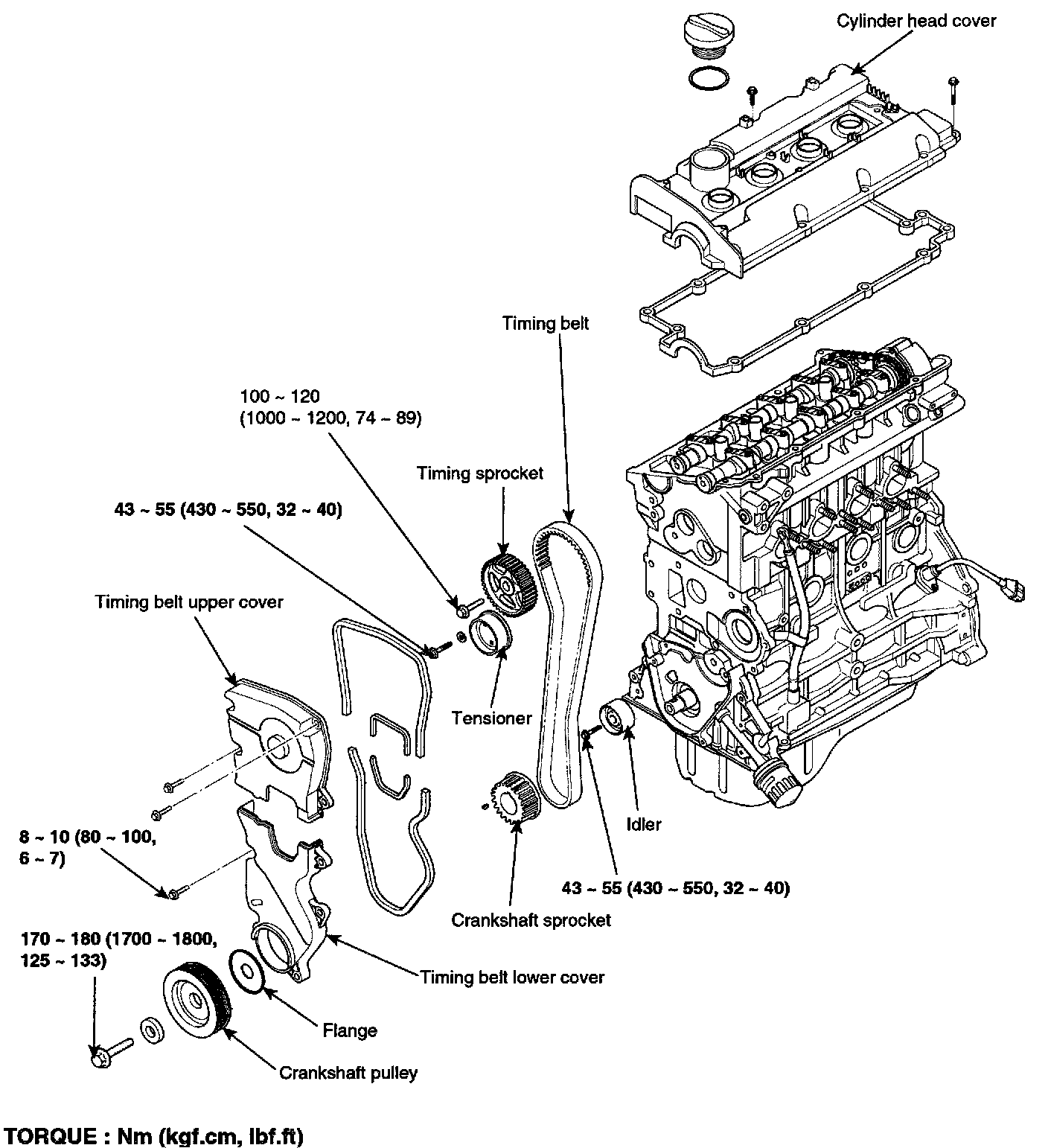
10. Remove the 4 bolts (B) and timing belt upper cover (A).
11. Turn the crankshaft pulley, and align its groove with timing mark "T" of the timing belt cover.
12. Remove the crankshaft pulley bolt (B) and crankshaft pulley (A).
13. Remove the crankshaft flange (A).
14. Remove the 5bolts (B) and timing belt lower cover (A).
15. Remove the timing belt tensioner (A) and timing belt (B).
NOTE: If the timing belt is reused, make an arrow indicating the turning direction to make sure that the belt is reinstalled in the same direction as before.
16. Remove the bolt (B) and timing belt idler (A).
17. Remove the crankshaft sprocket (A).
18. Remove the cylinder head cover.
1. Remove the spark plug cable.
2. Remove the accelerator cable (A) from the cylinder head cover.
3. Remove the Positive Crankcase ventilation (PCV) hose (A) and breather hose (B).
4. Remove the 12 bolts (B) and cylinder head cover (A).
19. Remove camshaft sprocket.
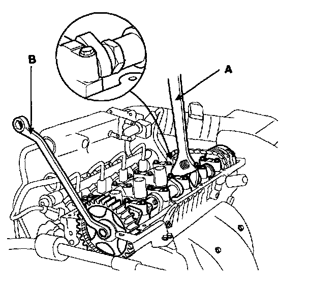
1. Hold the hexagonal head wrench (A) portion of the camshaft with a wrench (B), and remove the bolt and camshaft sprocket (C).
CAUTION: Be careful not to damage the cylinder head and valve lifter with the wrench.
INSPECTION
SPROCKETS, TENSIONER, IDLER
1. Check the camshaft sprocket, crankshaft sprocket, tensioner pulley, and idler pulley for abnormal wear, cracks, or damage. Replace as necessary.
2. Inspect the tensioner pulley and the idler pulley for easy and smooth rotation and check for play or noise. Replace as necessary.
3. Replace the pulley if there is a grease leak from its bearing.
TIMING BELT
1. Check the belt for oil or dust deposits. Replace, if necessary.
Small deposits should be wiped away with a dry cloth or paper. Do not clean with solvent.
2. When the engine is overhauled or belt tension adjusted, check the belt carefully. If any of the following flaws are evident, replace the belt.
NOTE:
^ Do not bend, twist or turn the timing belt inside out
^ Do not allow the timing belt to come into contact with oil, water and steam.
INSTALLATION
1. Install the camshaft sprocket and tighten the bolt to the specified torque
1. Temporarily install the camshaft sprocket bolt.
2. Hold the hexagonal head wrench (A) portion of the camshaft with a wrench (B), and tighten the camshaft sprocket (C) bolt.
2. Install cylinder head cover.
1. Install cylinder head cover (A) and 12 bolts (B).
2. Install the PCV hose (A) and breather hose (B).
3. Install the accelerator cable (A) from the cylinder head cover.
4. Install the spark plug cable.
3. Install the crankshaft sprocket (A).
4. Align the timing marks of the camshaft sprocket (A) and crankshaft sprocket (B) with the No. 1 piston placed at top dead center and its compression stroke.
5. Install the idler pulley (A) and tighten the bolt (B) to the specified torque.
6. Temporarily install the timing belt tensioner (A) with plain washer (B).
7. Belt so as not give slack at each center of shaft. Do as following procedures when installing timing belt. Crankshaft sprocket(A) -> Idler pulley(B) -> Camshaft sprocket(C) -> timing belt tensioner(D).
8. Temporarily fasten tensioner pulley by center bolt to add force at belt.
9. Timing belt tension adjusting
1. Rotate crankshaft in regular direction (clockwise view from front) through angle equivalent to two teeth (18°) of camshaft sprocket (A).
2. Give tension to timing belt by rotating tensioner in arrow direction with tool and set timing belt not to give slack to tension side
3. Tightening tensioner bolt.
Tightening torque
Tensioner bolt: 43 - 55 Nm (430 - 550 kgf-cm, 32 - 40 ft. lbs.)
4. Recheck the belt tension. When the tension side of timing belt is pushed horizontally with a moderate force [approximately 2kg (20 N, 5 lbs.)], the timing belt cog end sags in approximately 4 - 6 mm (0.16 - 0.24 inch)
10. Turn the crankshaft two turns in the operating direction (clockwise) and realign crankshaft sprocket and camshaft sprocket timing mark.
11. Install the timing belt lower cover (A) with 5 bolts (B).
12. Install the flange and crankshaft pulley (A). Make sure that crankshaft sprocket pin fits the small hole in the pulley.
13. Install the timing belt upper cover (A) with 4 bolts (B).
14. Install the coolant pump pulley with 4 bolts.
15. Install power steering belt.
16. Install air compressor bolt.
17. Install alternator belt.
18. Install the engine mount bracket
1. Install the stay plate (A) with bolt (B).
2. Install engine mount bracket with 3 nuts (C) and bolt (B).
19. Install RH side cover (A) with 2 bolts(B).
20. Install RH front wheel.
21. Install engine cover (A) with 5 bolts.