Curiosii for ever!: Car repair manuals for everyone.

Mode Check

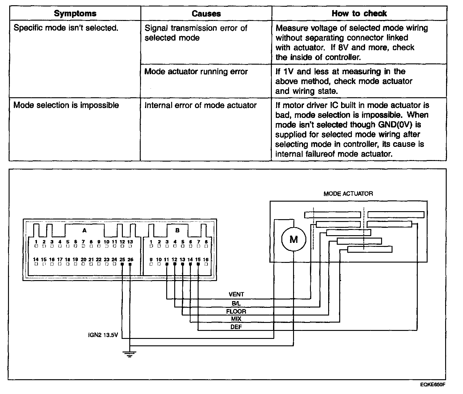
MODE CHECK

Error Diagnostics:




In turning on IG and selecting mode switch, sequential operation begins in order of Vent -> Bi-level -> Blower -> Mix. DIP mode works regardless of order at selecting it. In selecting Vent mode as mode switch, GND (0 V) is supplied for FATC connector B-11 (Vent) terminal. Voltage of 9 V and more is set in the rest terminals B-12, B-13, B-14, B-15 and motor drive IC in mode actuator which receives the signal, works in direction of vent mode setup. Vent, Built-in-level, Blower, Mix and Defrost mode can be selected in the method described.