Curiosii for ever!: Car repair manuals for everyone.

Vehicle Speed Sensor

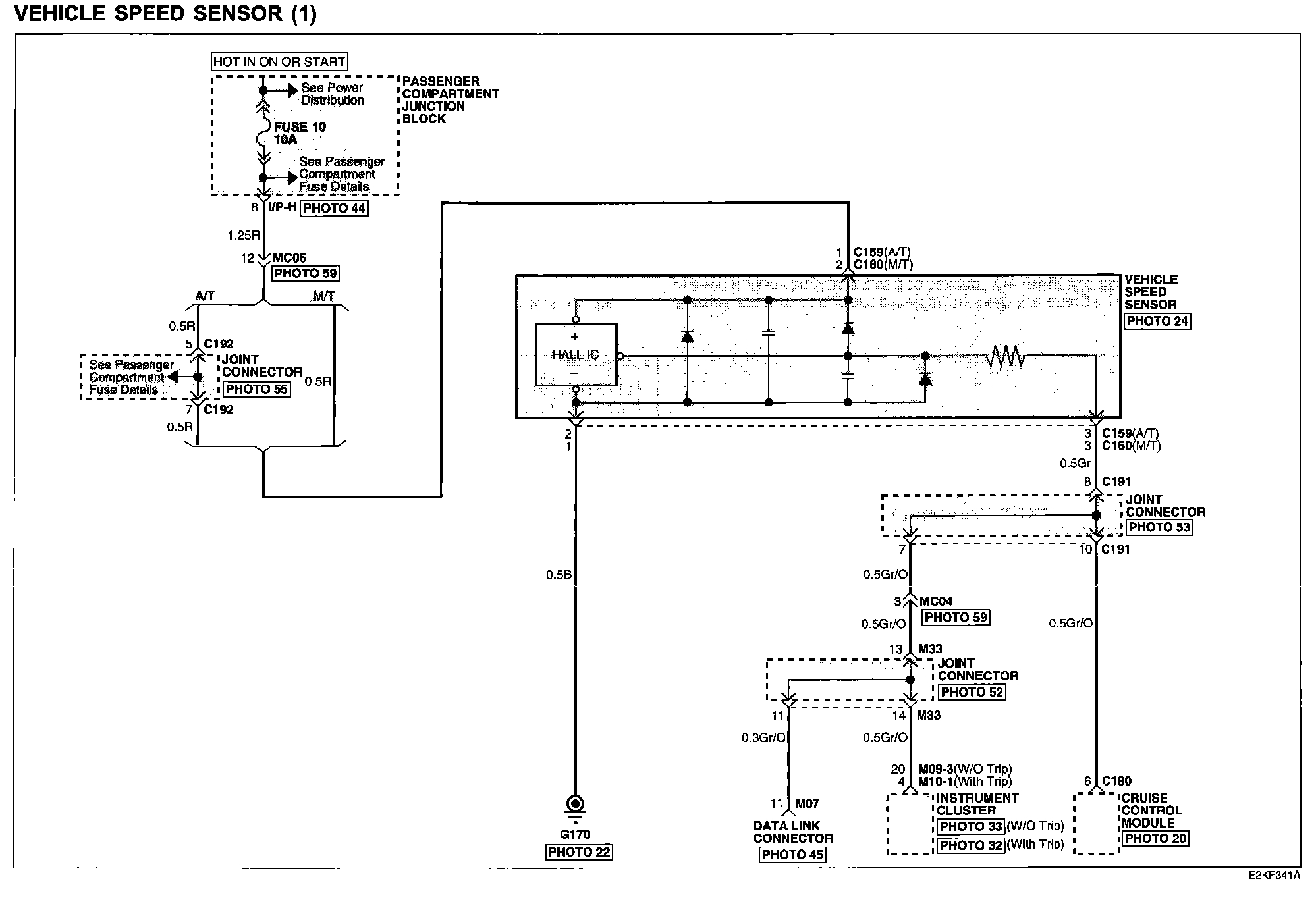
Vehicle Speed Sensor (1):




Vehicle Speed Sensor (2) Connector Pin Outs:






Locations: Location photographs (references to PHOTOS) referred to within these diagrams can be found at the vehicle level under Locations by Photo Number. Component Locations

Connector Views: The Connector Pin Out Views for connectors shown on these diagrams can be found on the Connector Pin Out images that follow most sets of system diagrams.