Curiosii for ever!: Car repair manuals for everyone.

Exhaust Emission Control System

EXHAUST EMISSION CONTROL SYSTEM

Exhaust Emission Control System:




OPERATION
Exhaust emissions (CO,HC,NOx) are controlled by a combination of engine modifications and the addition of special control components.

Modifications to the combustion chamber, intake manifold, camshaft and ignition system form the basic control system.

These items have been integrated into a highly effective system which controls exhaust emissions while maintaining good driveability and fuel economy.

AIR/FUEL MIXTURE CONTROL SYSTEM
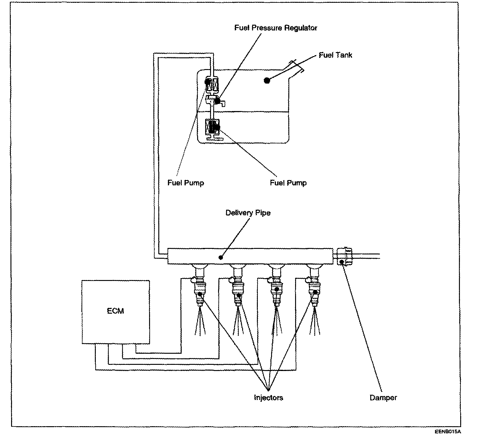
[MULTIPORT FUEL INJECTION (MFI) SYSTEM]

The MFI system is a system which uses the signals from the heated oxygen sensor to activate and control the fuel injectors.
Precisely regulating the air/fuel mixture ratio and reducing emissions.

This in turn allows the engine to produce exhaust gases of the proper composition to permit the use of a three way catalyst. The three way catalyst is designed to convert the three pollutants (1) hydrocarbons (HC), (2) carbon monoxide (CO), and (3) oxides of nitrogen (NOx) into harmless substances. There are two operating modes in the MFI system.

1. Open Loop air/fuel ratio is controlled by information programmed into the ECM.
2. Closed Loop air/fuel ratio is adjusted by the ECM based on information supplied by the oxygen sensor.