Curiosii for ever!
: Car repair manuals for everyone.
Home
>>
Hyundai
>>
2005
>>
Accent L4-1.6L
>>
Repair and Diagnosis
>>
Powertrain Management
>>
Diagrams
>>
Electrical Diagrams
>>
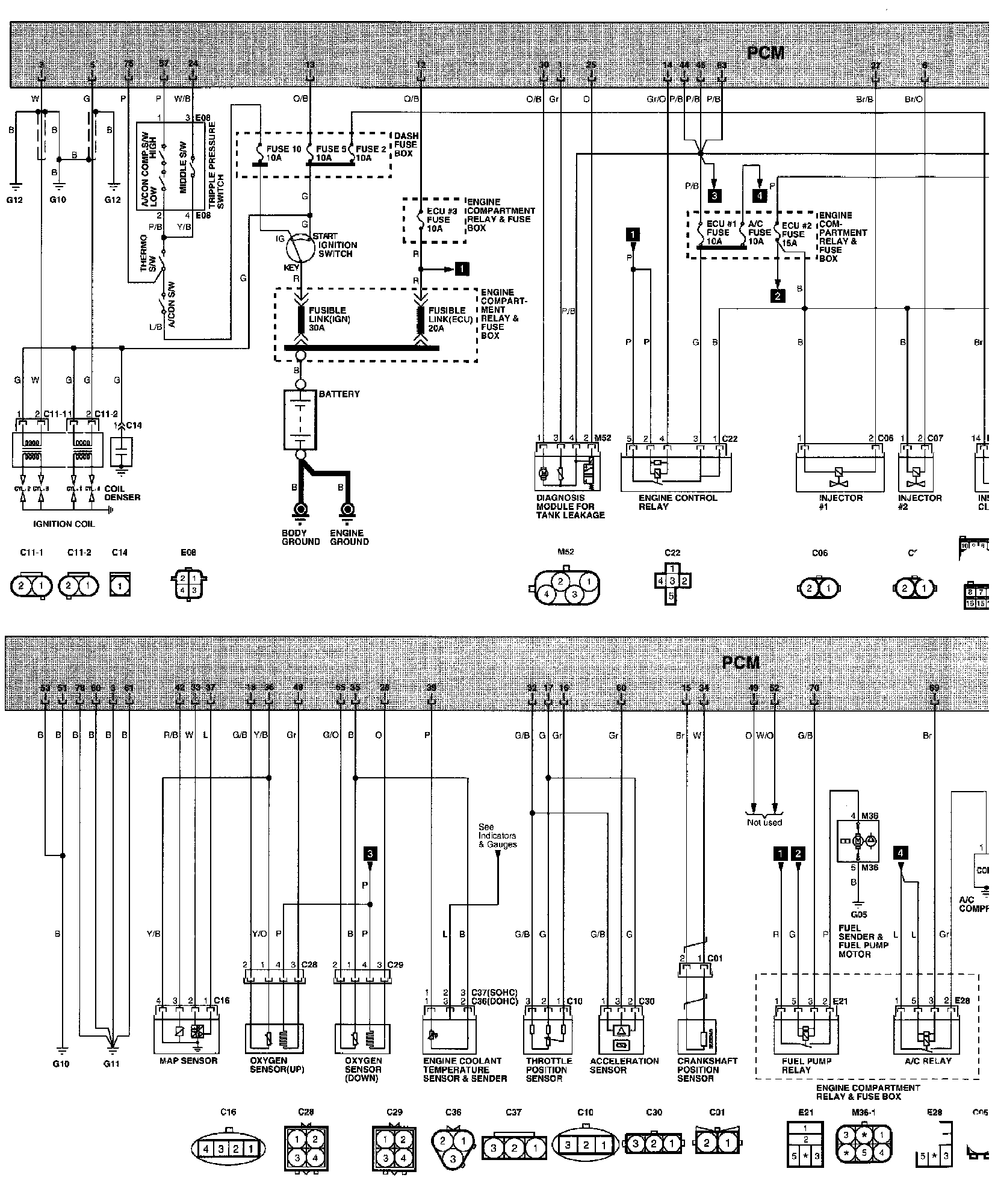
System Overview Schematic
System Overview Schematic
@��EFull Circuit Diagram: