Curiosii for ever!: Car repair manuals for everyone.

Air Temperature Sensor ( Ambient / Intake ): Testing and Inspection

INTAKE AIR TEMPERATURE (IAT) SENSOR
This hot film type air flow sensor is composed of a hot film sensor, housing and metering duct (hybrid sensor element). Mass airflow rate is measured because the change of the mass air flow rate causes a change in the amount of heat being transferred from the hot film probe surface to the air flow. The air flow sensor generates a pulse so it repeatedly opens and closes between the 5 V voltage supplied from the powertrain control module.

The intake air temperature sensor (IAT Sensor), located in the intake air hose, is a resistor-based sensor for detecting the intake air temperature. The intake air temperature information from the sensor helps the PCM provide the necessary fuel injection.


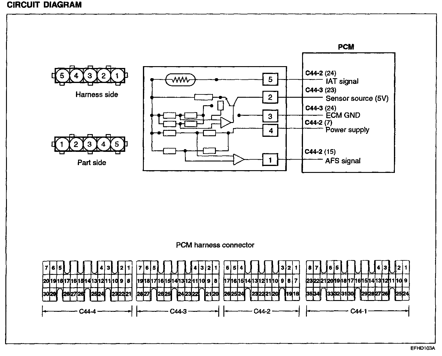
Circuit Diagram:






Harness Inspection Procedures Part 1:





Harness Inspection Part 2:






Troubleshooting Procedures:






TROUBLESHOOTING HINTS




1. If the engine stalls occasionally, start the engine and shake the MAF sensor harness. It the engine stalls, check for poor contact at the MAF sensor connector.
2. If the MAF sensor output voltage is other than 0 when the ignition switch is turned on (do not start the engine), check for a faulty MAF sensor or PCM.
3. If the engine can idle even if the MAF sensor output voltage is out of specification, check for the following conditions;
- Disturbed air flow in the MAF sensor, disconnected air duct, and clogged air cleaner filter.
- Poor combustion in the cylinder, faulty ignition plug, ignition coil, injector, and incorrect comparison.
4. Even if no AFS malfunction occurs, check the mounting direction of the AFS.

NOTE:
- When the vehicle is new [within initial operation of about 500 km (300 miles), the mass air flow sensor air quantity will be about 10% higher.
- Use an accurate digital voltmeter.
- Before checking, warm up the engine until the engine coolant temperature reaches 80 to 90 °C (176 to 19 °F).