Curiosii for ever!: Car repair manuals for everyone.

Air Conditioning Switch: Testing and Inspection




AIR CONDITIONING SWITCH AND RELAY

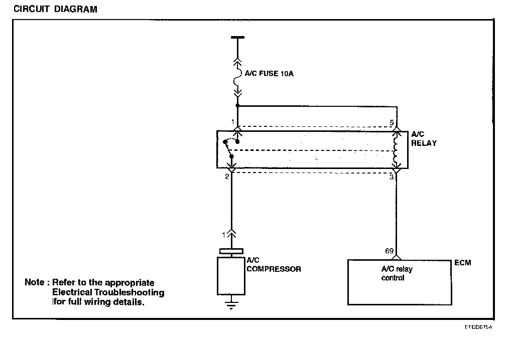
The air conditioning switch relays battery voltage to the ECM when the air conditioning is turned on. When the air conditioning ON signal is input, the ECM drives the ISC Actuator and turns ON the ignition power transistor. Then, the air conditioning power relay coil is energized to turn on the relay switch, which activates the compressor magnetic clutch.


Circuit Diagram:
















AIR CONDITIONING INSPECTION

Refer to GROUP-HA service adjustment procedures.