Curiosii for ever!: Car repair manuals for everyone.

Crankshaft Position Sensor: Testing and Inspection




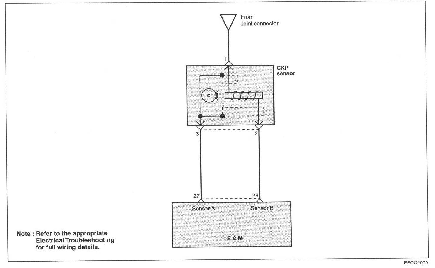
CRANKSHAFT POSITION SENSOR (CKP SENSOR)
The crankshaft position sensor, consisted of a magnet and coil, is located next to flywheel. The voltage signal from this crankshaft position sensor is relayed to the ECM to indicate engine RPM and the position of the crankshaft.

Circuit Diagram:






Harness Inspection Procedures: