Curiosii for ever!
: Car repair manuals for everyone.
Home
>>
Hyundai
>>
2000
>>
Elantra GLS Wagon L4-2.0L
>>
Repair and Diagnosis
>>
Diagrams
>>
Electrical Diagrams
>>
Powertrain Management
>>
Computers and Control Systems
>>
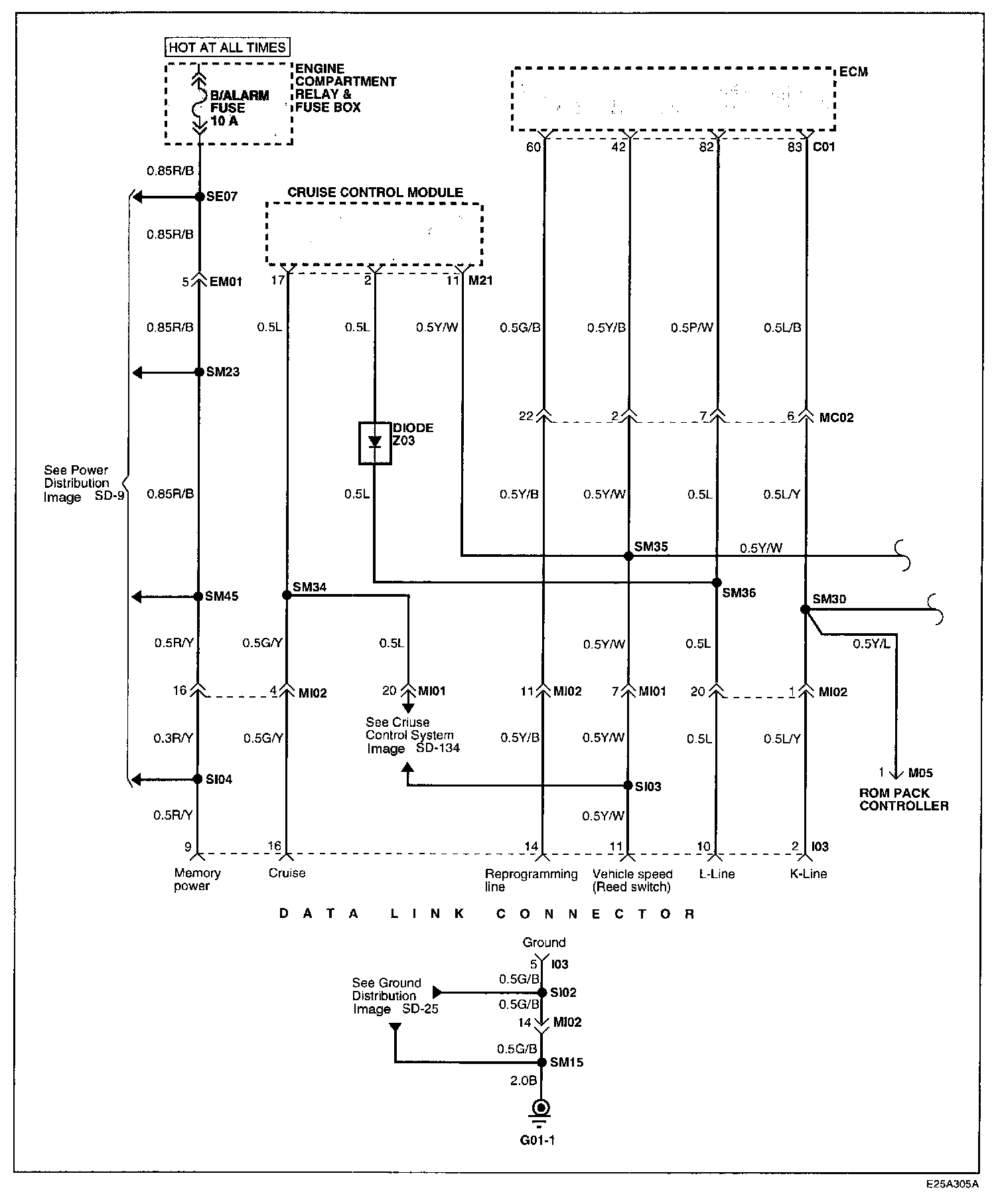
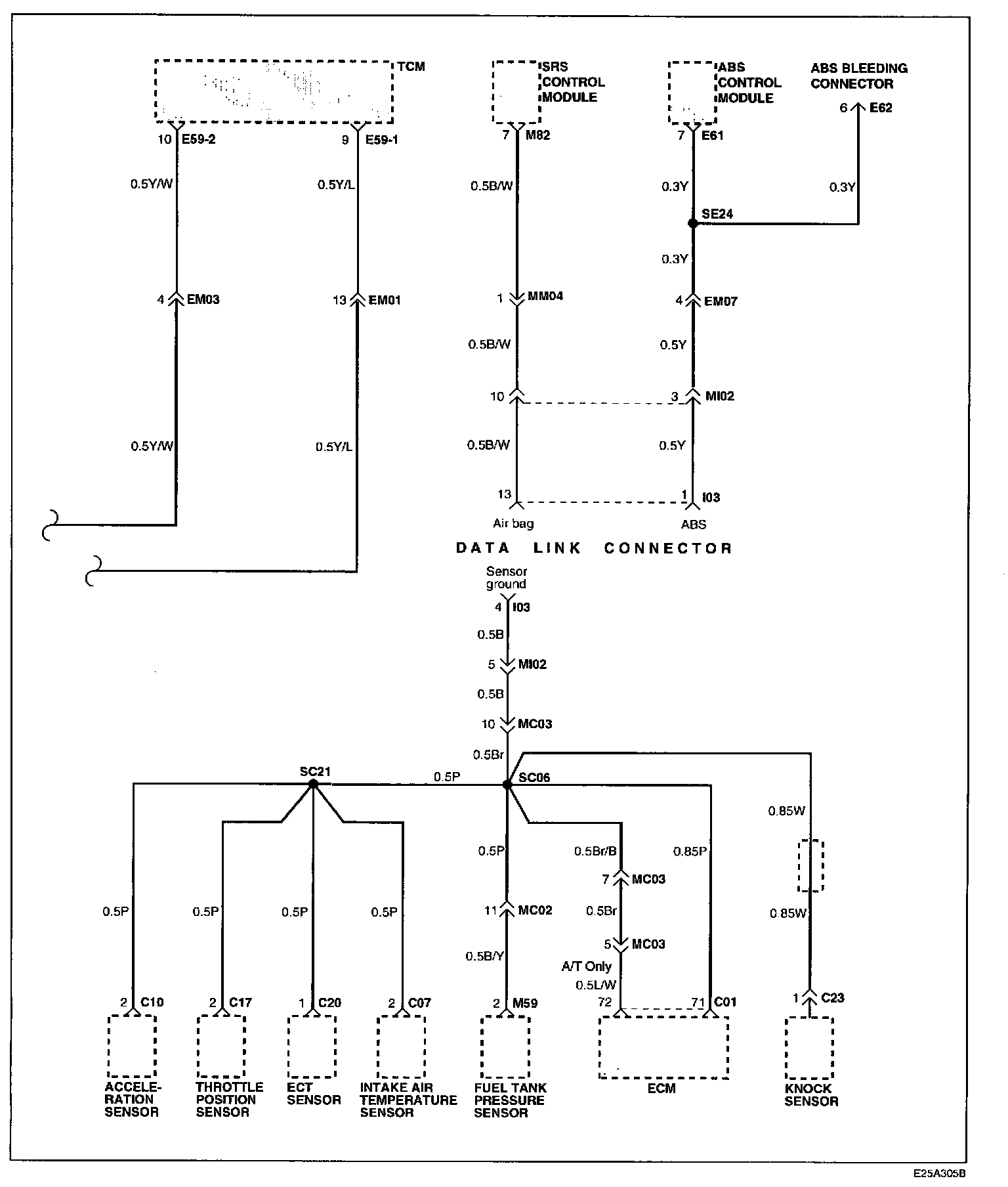
Data Link Connector
Data Link Connector
Image SD - 38:
Image SD - 39:
Schematic Diagrams