Curiosii for ever!
: Car repair manuals for everyone.
Home
>>
Hyundai
>>
1999
>>
Tiburon L4-2.0L
>>
Repair and Diagnosis
>>
Windows and Glass
>>
Windows
>>
Diagrams
>>
Electrical Diagrams
>>
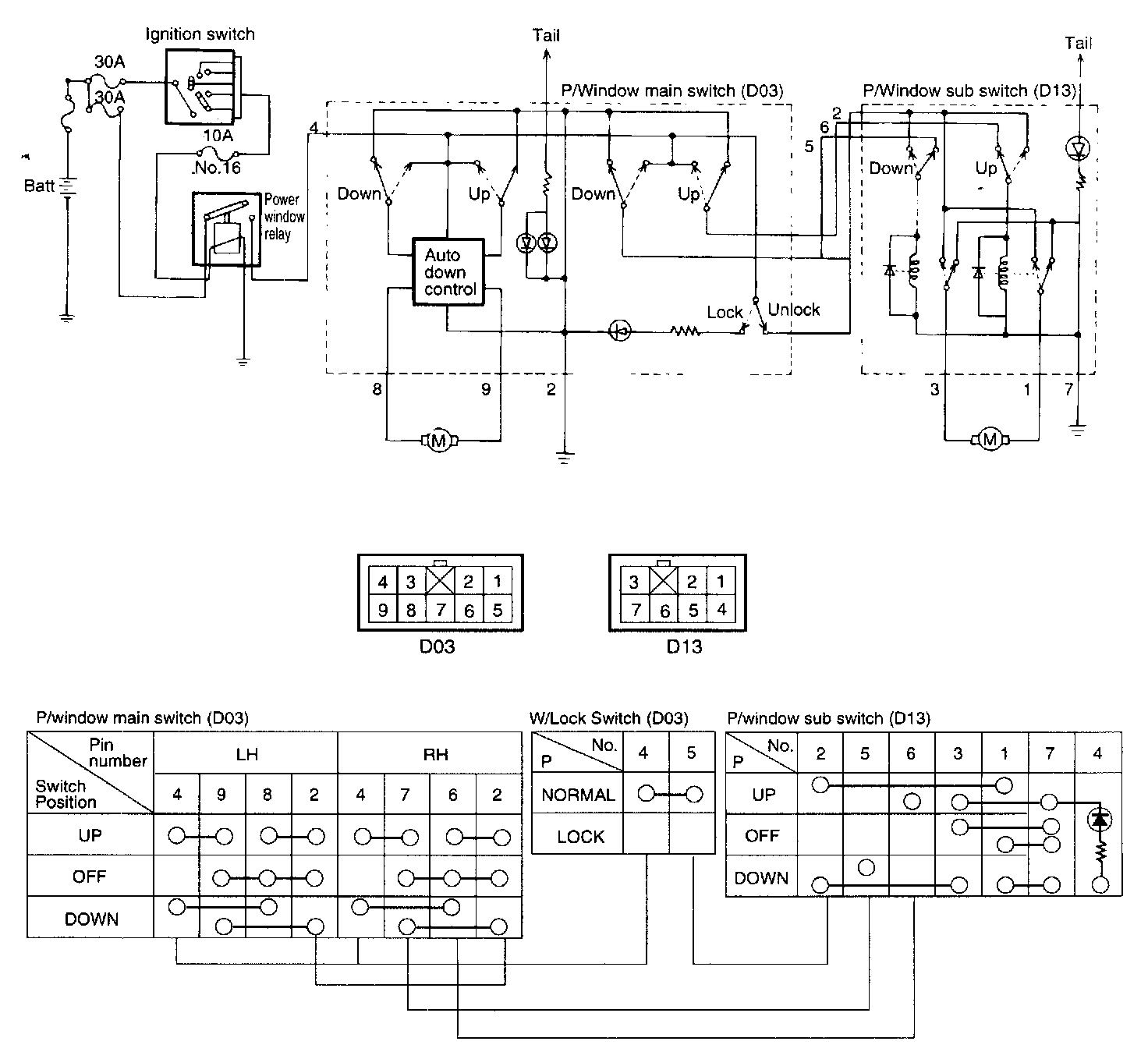
System Schematic
System Schematic