Curiosii for ever!
: Car repair manuals for everyone.
Home
>>
Hyundai
>>
1999
>>
Tiburon L4-2.0L
>>
Repair and Diagnosis
>>
Diagrams
>>
Electrical Diagrams
>>
Starting System
>>
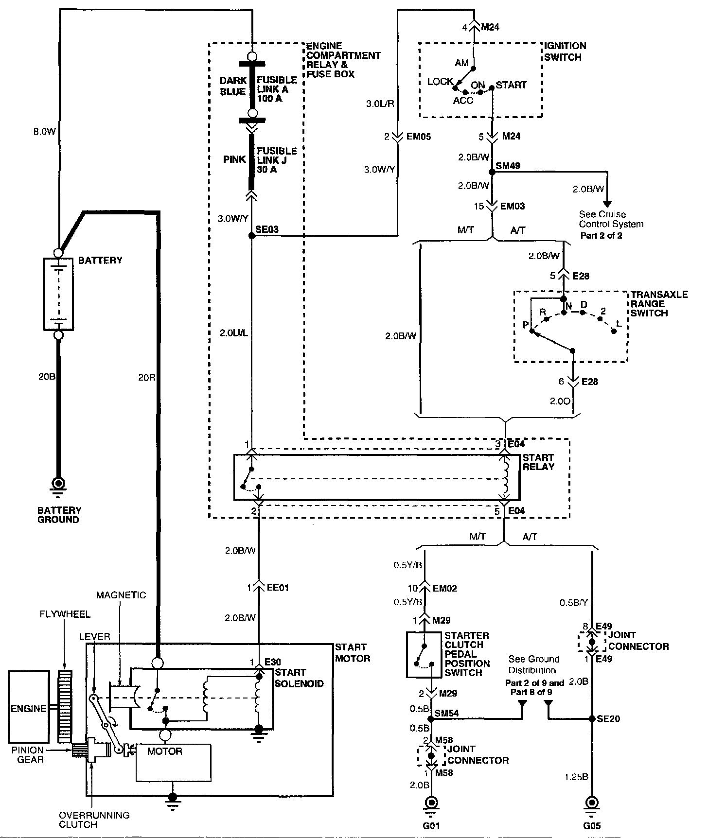
System Diagram
System Diagram
Circuit Diagram
Connector Configurations Are Found At Vehicle / Diagrams / Connector Views.
Connector Views
Connector And Component Locations Are Found At
Starting System
/ Locations.
Locations