Curiosii for ever!
: Car repair manuals for everyone.
Home
>>
Hyundai
>>
1999
>>
Tiburon L4-2.0L
>>
Repair and Diagnosis
>>
Diagrams
>>
Electrical Diagrams
>>
Powertrain Management
>>
Computers and Control Systems
>>
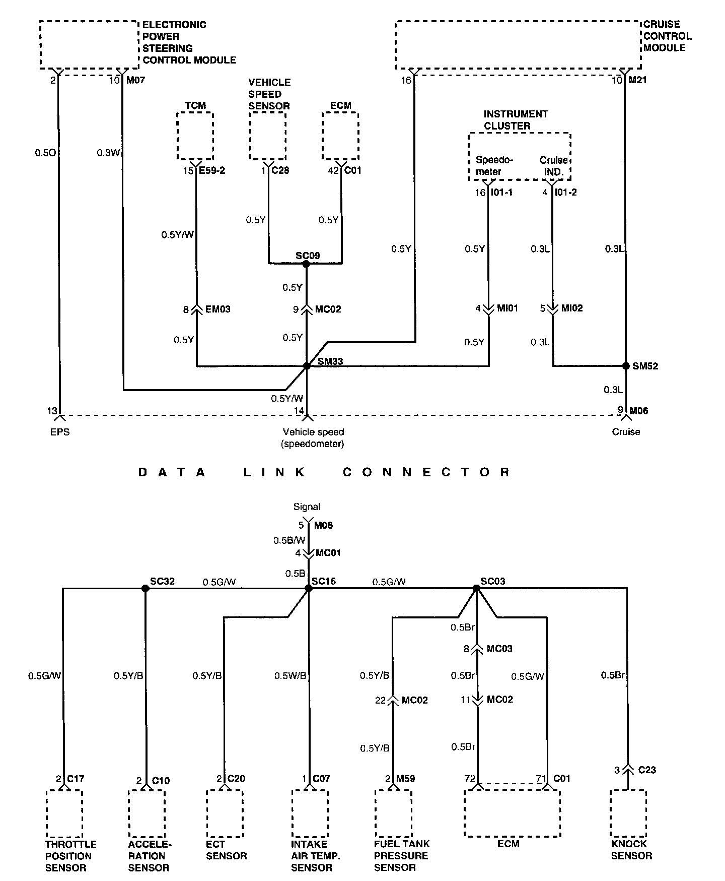
Data Link Connector
Data Link Connector
Data Link Details (Part 1 Of 2):
Data Link Details (Part 2 Of 2):
Circuit Diagrams