Curiosii for ever!: Car repair manuals for everyone.

Electrical Diagrams

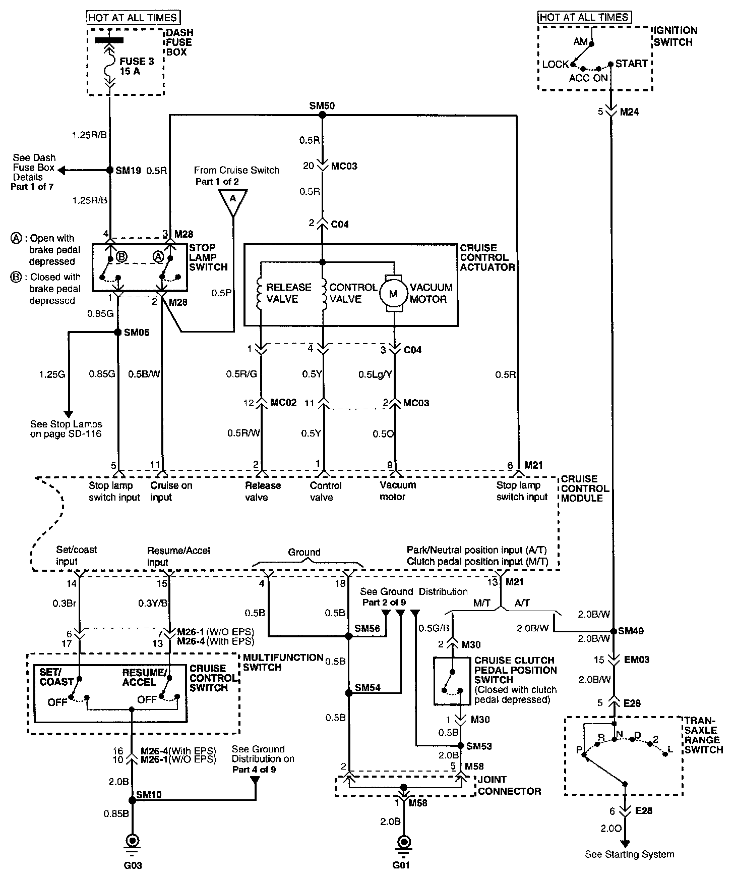
Cruise Control System (Part 1 Of 2):




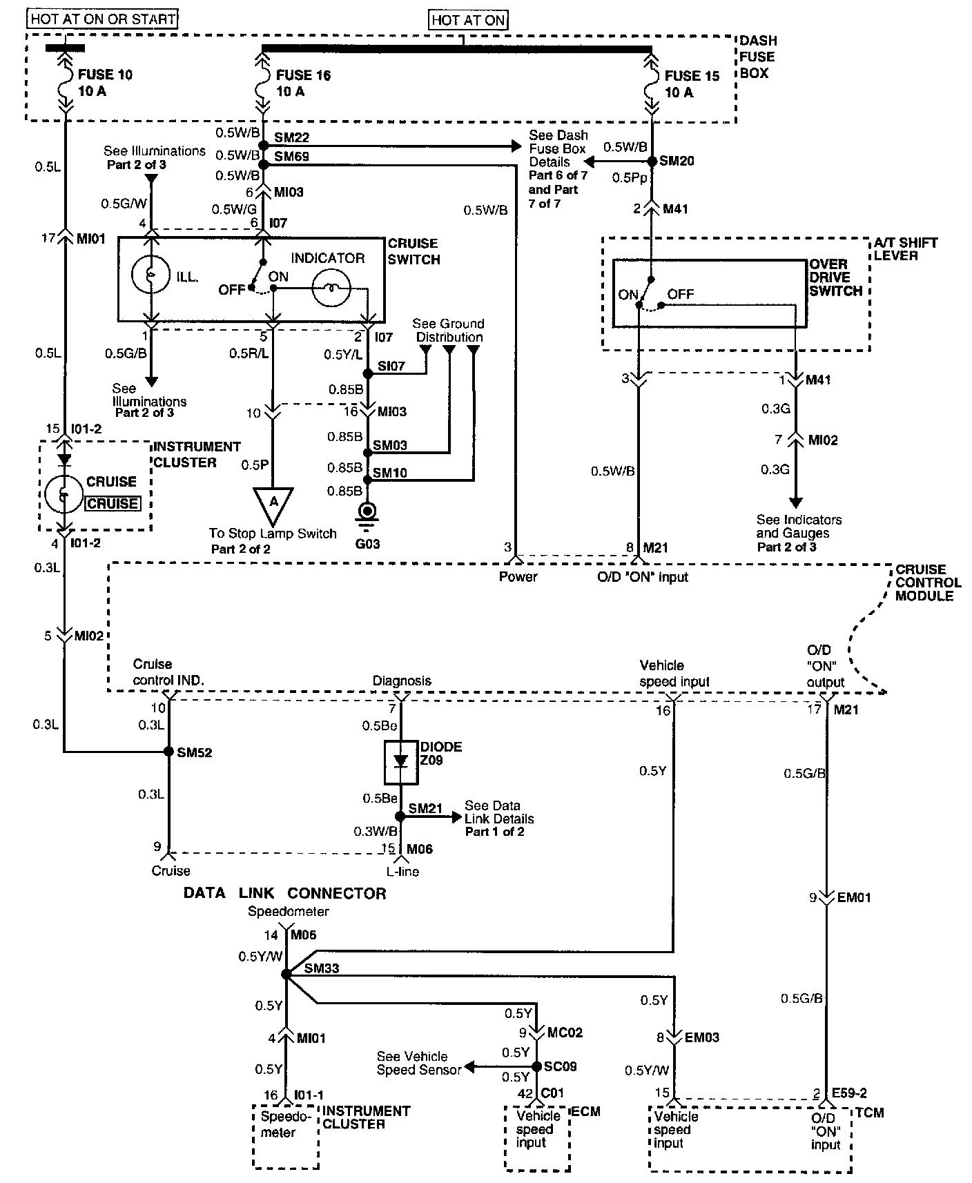
Cruise Control System (Part 2 Of 2):





Circuit Diagrams

Connector Configurations Are Found At Vehicle / Diagrams / Connector Views.
Connector Views

Connector And Component Locations Are Found At Cruise Control / Locations.
Locations