Curiosii for ever!: Car repair manuals for everyone.

Component Locations

Engine Compartment Component Locations:



Engine Compartment Component Locations:



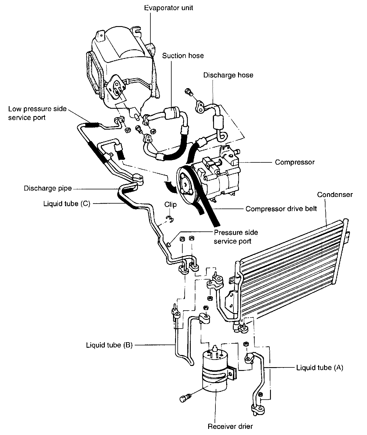
Refrigerant System Diagram/Component Locations:



M08 Fresh/Recirc Switch And Heater Control Panel:



M51 Thermostatic Switch:



M56 Blower Motor, M57 Blower Resistor:



M58 Joint Connector:



E01 Head Lamp Relay (HIGH), E02 DRL Relay, E04 Start Relay, E05 Condenser Fan Relay, E06 Head Lamp Relay (LOW), E07 Radiator Fan Relay, E08 A/C Relay, E09 Front Fog Lamp Relay, E10 Tail Lamp Relay, E11 Blower Relay, E12 Horn Relay:







I14 (A/C Switch), I15 (Blower Switch):





C08 A/C Compressor:



C26 Engine Control Relay:



C31, C32 Joint Connector:



Z08: