Curiosii for ever!
: Car repair manuals for everyone.
Home
>>
Hyundai
>>
1999
>>
Sonata GLS V6-2.5L
>>
Repair and Diagnosis
>>
Diagrams
>>
Electrical Diagrams
>>
Wiper and Washer Systems
>>
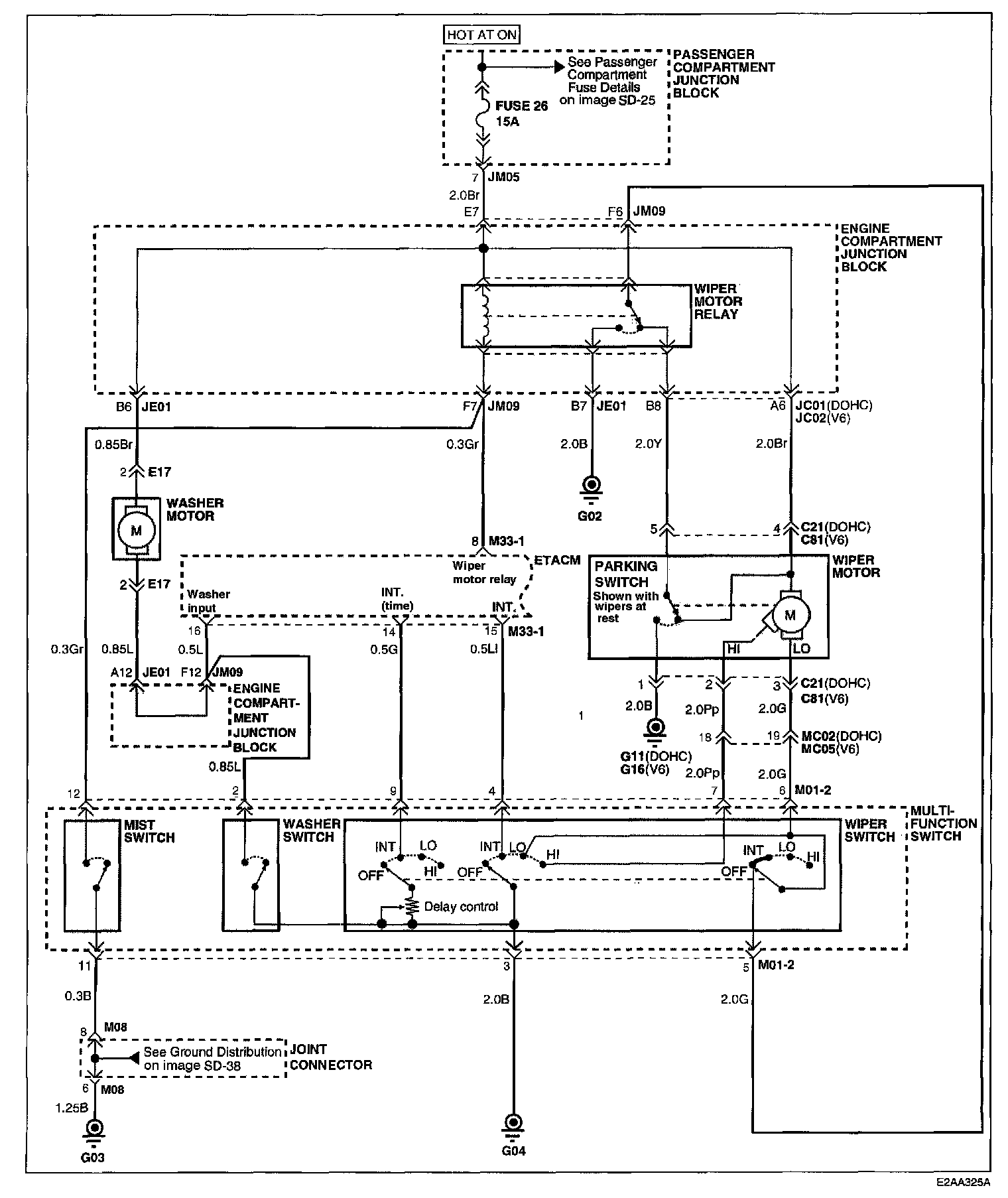
Wiper Control Module
Wiper Control Module