System Diagram
AUTOMATIC TRANSAXLE
VALVE BODY
Valve Body
Inside Valve Body
Outside Valve Body (F4A42 Model)
Outside Valve Body (F5A51 Model)
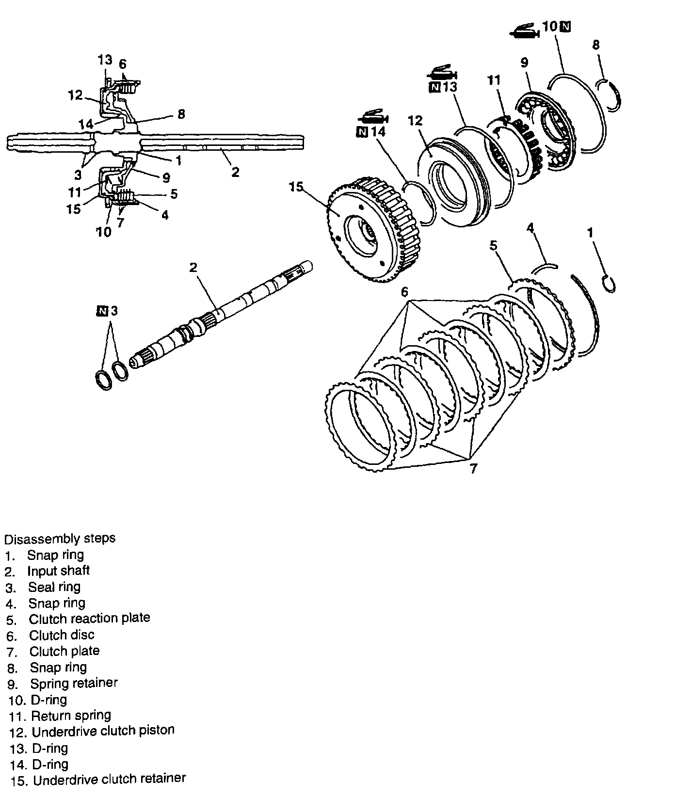
UNDERDRIVE CLUTCH AND INPUT SHAFT
REVERSE AND OVERDRIVE CLUTCH
OIL PUMP ASSEMBLY
OUTPUT SHAFT
DIRECT CLUTCH (F5A51 Model)
DIRECT PLANETARY CARRIER (F5A51 Model)
REDUCTION BRAKE PISTON (F5A51 Model)
TRANSFER DRIVE GEAR
DIFFERENTIAL
SPEEDOMETER DRIVEN GEAR