Curiosii for ever!: Car repair manuals for everyone.

Automatic Transaxle Control System

�.J�=.JLQ.J:





Circuit Diagram

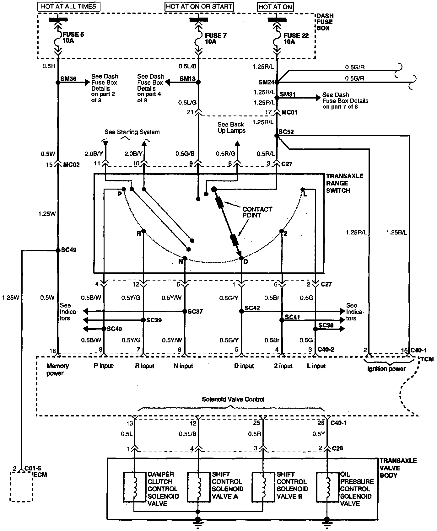
Automatic Transaxle Control System (Part 1 Of 3):




(Part 1 Of 3)
Dash Fuse Box
Transaxle Range Switch
TCM
Transaxle Valve Body

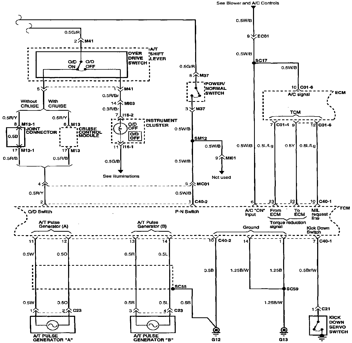
Automatic Transaxle Control System (Part 2 Of 3):




(Part 2 Of 3)
A/T Shift Lever
A/T Pulse Generator "A"
A/T Pulse Generator "B"
Instrument Cluster
Cruise Control Module
Power/Normal Switch
ECM
TCM
Kick Down Servo Switch

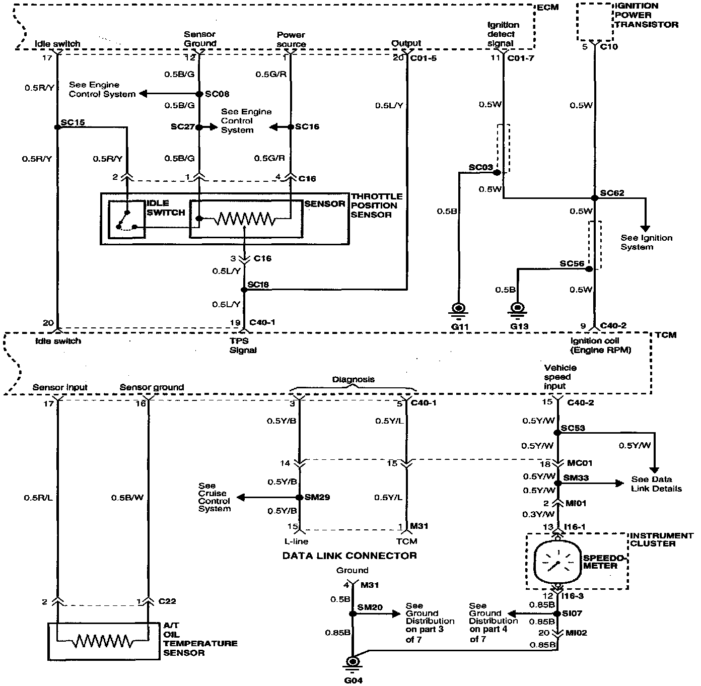
Automatic Transaxle Control System (Part 3 Of 3):




(Part 3 Of 3)
A/T Oil Temperature Sensor
Data Link Connector
ECM
Instrument Cluster
Ignition Power Transistor
Throttle Position Sensor
TCM


Connector Configurations Are Found In The Diagram Section Of The Vehicle.
Connector Views

Connector Locations Are Found In The Locations Section Of The Automatic Transaxle Control System.
Locations