Curiosii for ever!
: Car repair manuals for everyone.
Home
>>
Hyundai
>>
1998
>>
Sonata GL V6-3.0L
>>
Repair and Diagnosis
>>
Powertrain Management
>>
Computers and Control Systems
>>
Testing and Inspection
>>
Component Tests and General Diagnostics
Component Tests and General Diagnostics
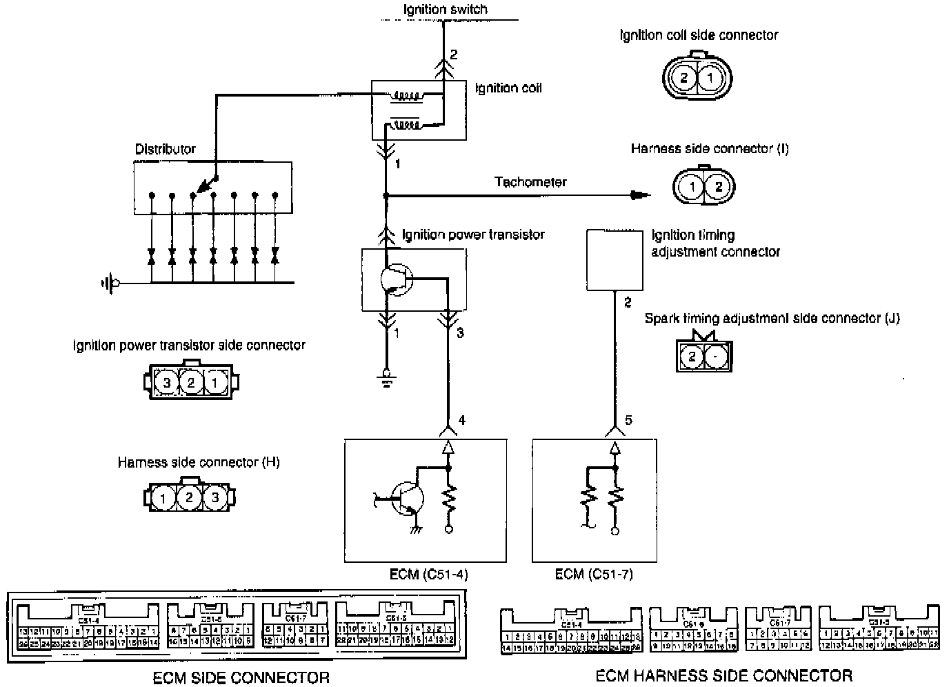
CIRCUIT DIAGRAM
USING SCAN TOOL
HARNESS INSPECTION