Curiosii for ever!
: Car repair manuals for everyone.
Home
>>
Hyundai
>>
1998
>>
Sonata GL L4-2.0L
>>
Repair and Diagnosis
>>
Diagrams
>>
Electrical Diagrams
>>
Powertrain Management
>>
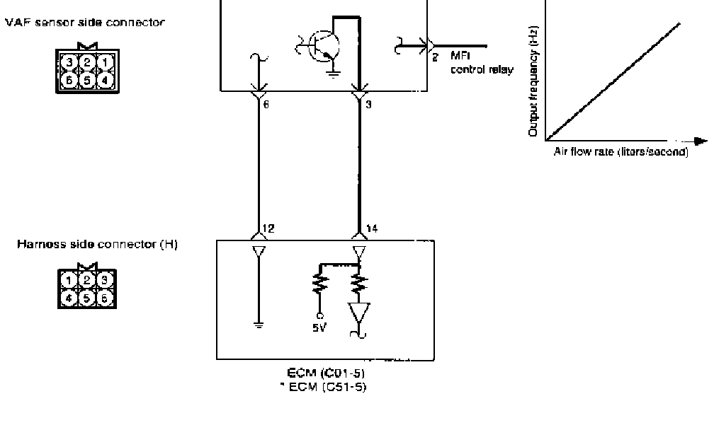
Air Flow Meter/Sensor
Air Flow Meter/Sensor
Volume Air Flow Sensor
Circuit diagram