Curiosii for ever!
: Car repair manuals for everyone.
Home
>>
Hyundai
>>
1997
>>
Tiburon L4-1.8L
>>
Repair and Diagnosis
>>
Heating and Air Conditioning
>>
Description and Operation
Heating and Air Conditioning: Description and Operation
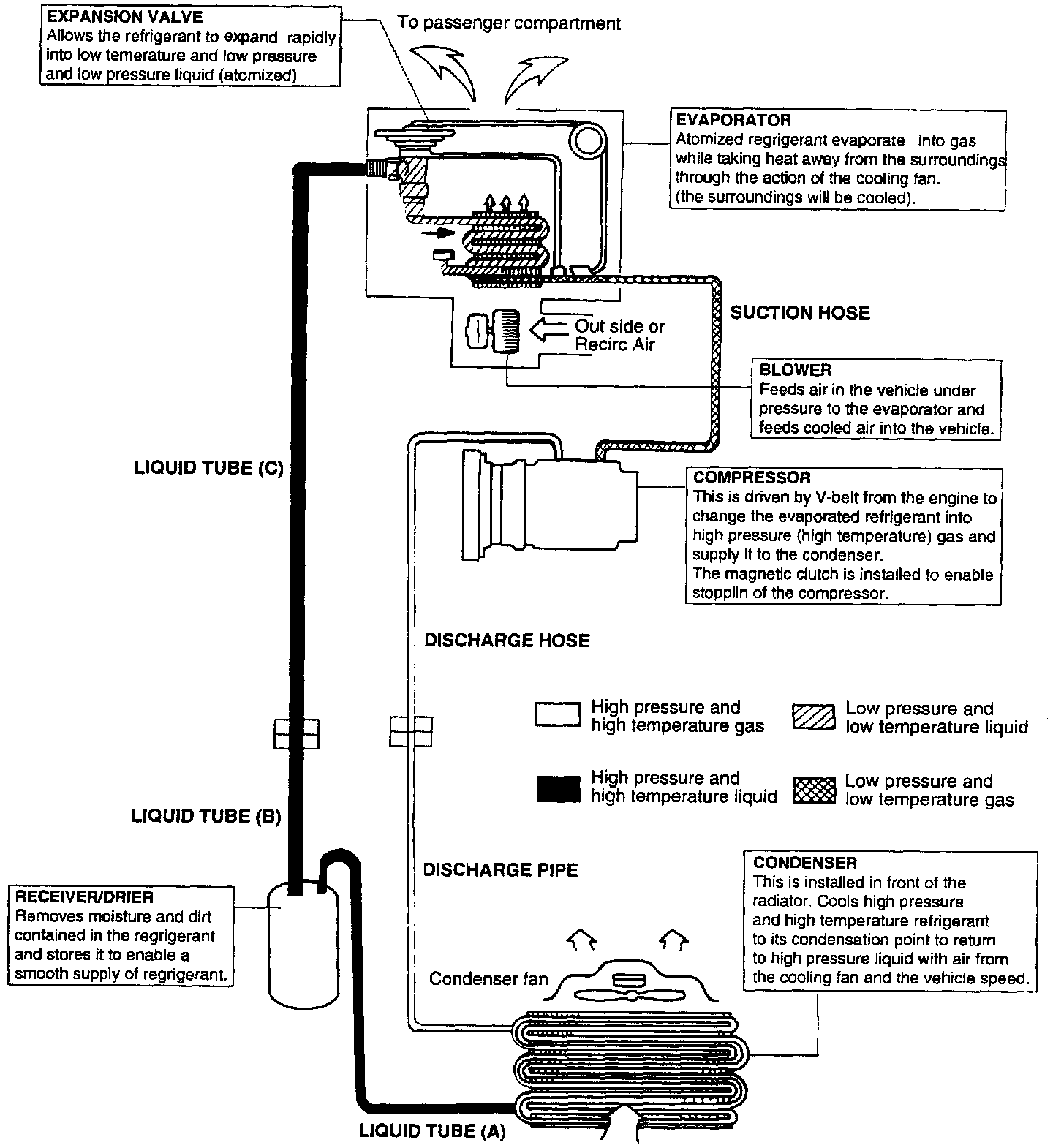
REFRIGERATION CYCLE
HOW IS THE MAGNETIC CLUTCH IS ENERGIZED
The general process how the magnetic clutch is energized is shown. (MFI only)
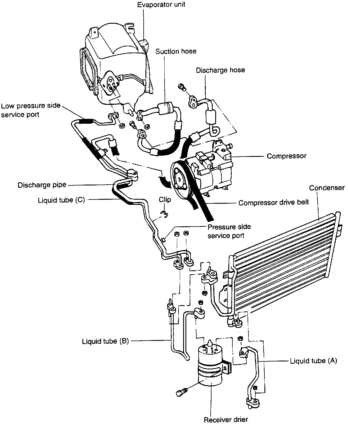
COMPONENTS